Переходник JIC 3/4"(Г) на BSPT 3/4"(Ш) арт. 200817.3 от Cast
Переходник JIC 3/4"(Г) на BSPT 3/4"(Ш). Соединения под развальцовку 37° (JIC). Прямой ввертной адаптер BSPT (уплотнение по резьбе)
Представляем переходник CAST артикул 200817.3 универсальной серии – незаменимый элемент для создания надежных и герметичных гидравлических соединений. Данный фитинг предназначен для эффективного сопряжения гидравлических линий с различными стандартами резьбы, обеспечивая адаптацию напорных и сливных магистралей. Он широко применяется в мобильной технике, промышленном оборудовании, станочном производстве и при создании гидравлических систем для стандартного давления.
Переходник разработан для обеспечения надежного и удобного подключения, предлагая переход от внутренней резьбы JIC 3/4" (3/4-16, 37° SAE J514) к наружной конической резьбе BSPT 3/4". Комбинация стандартов обеспечивает совместимость с широким спектром оборудования. Конструкция изделия гарантирует устойчивость к вибрациям и пульсациям давления, что критически важно в динамичных системах.
- Рабочее давление (WP): 350 бар
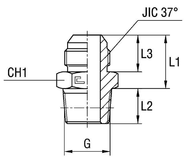
- Диаметр трубы M1/D1: 12 мм
- Диаметр трубы W: 1/2 дюйма
- Размер под ключ (CH1): 27 мм
- Резьба JIC (9): 3/4-16 (37° SAE J514)
- Резьба BSPT (5): 3/4 дюйма
- Длина L1: 27 мм
- Длина L2: 19 мм
- Длина L3: 16,7 мм
Данный фитинг поставляется без дополнительных уплотнительных элементов, что подразумевает подбор уплотнений в зависимости от специфики применения и требований к герметичности. Стандартное исполнение выполнено из высокопрочной стали. Для эксплуатации в агрессивных средах или условиях, требующих повышенной коррозионной стойкости, осуществите заказ, заменив первые две цифры стандартного артикула 20.... на 21...., что соответствует исполнению из нержавеющей стали AISI 316. Это обеспечит долговечность и надежность эксплуатации в самых жестких условиях.