Переходник-бочонок BSP 3/4"(Ш) - 1"(Г) арт. 107515 от Cast
Переходник-бочонок BSP 3/4"(Ш) - 1"(Г). Соединения с врезным кольцом (DIN 2353). Ввертной адаптер с внутренней резьбой BSP (уплотнение ED)
Представляем переходник-бочонок CAST артикул 107515, предназначенный для герметичного и надежного соединения гидравлических линий. Данный фитинг серии L/S обеспечивает компактное подключение компонентов в системах среднего и высокого давления. Широко применяется в мобильной и стационарной гидравлике, смазочных системах, а также для подключения навесного оборудования.
Конструкция переходника выполнена по стандарту 24° DIN 2353, что гарантирует его совместимость с соответствующими трубными соединениями. Резьбовое подключение BSP обеспечивает простоту монтажа и демонтажа, а высокое качество изготовления гарантирует долговечность и герметичность соединения даже в условиях переменных нагрузок.
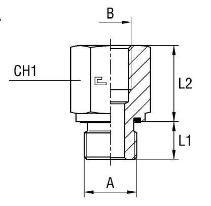
- Тип соединения: BSP (Ш) - DIN 24° (Г)
- Размер BSP (A): 3/4"
- Размер DIN 24° (B): 1"
- Рабочее давление (WP): 315 бар
- Серия: L/S (Легкая/Стандартная)
- Соответствие стандарту: DIN 2353
Для обеспечения коррозионной стойкости в агрессивных средах доступно исполнение из нержавеющей стали AISI 316. Для заказа данного варианта необходимо изменить префикс артикула с "10..." на "11...". Переходник рассчитан на рабочее давление до 315 бар, что делает его универсальным решением для большинства гидравлических систем. Этот фитинг CAST является ключевым элементом для построения надежных трубных соединений.