Переходник-бочонок BSP 3/4"(Ш) - 1-1/4"(Г) арт. 107516 от Cast
Переходник-бочонок BSP 3/4"(Ш) - 1-1/4"(Г). Соединения с врезным кольцом (DIN 2353). Ввертной адаптер с внутренней резьбой BSP (уплотнение ED)
Артикул: 107516. Данный переходник-бочонок CAST предназначен для создания надежных герметичных соединений в гидравлических системах. Серия L/S (Light/Standard) обеспечивает возможность применения в условиях стандартного и низкого давления. Широко используется в гидравлических контурах мобильной и стационарной техники, промышленного оборудования.
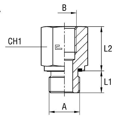
Конструкция переходника обеспечивает надежное соединение между компонентами гидравлической системы, соответствуя стандартам соединений 24° DIN 2353. Переходник позволяет эффективно сопрягать трубные соединения с различными присоединительными размерами, обеспечивая плавный переход между ними.
- Производитель: CAST
- Артикул: 107516
- Тип: Переходник-бочонок
- Присоединительная резьба A (USIT): 3/4"
- Присоединительная резьба B: 1-1/4"
- Серия: L/S
- Рабочее давление (WP), бар: 315
- Размер под ключ 1 (CH1), мм: 55
- Длина L1, мм: 16
- Длина L2, мм: 39
- Стандарт трубного соединения: DIN 2353 (24° конус)
Для изготовления данного фитинга используется высококачественная сталь. Для заказа переходника из нержавеющей стали AISI 316, соответствующей требованиям для применения в агрессивных средах или обеспечивающей повышенную коррозионную стойкость, следует изменить префикс артикула с 10... на 11....