Переходник-бочонок BSP 1/4"(Ш) - 3/8"(Г) арт. 107504 от Cast
Переходник-бочонок BSP 1/4"(Ш) - 3/8"(Г). Соединения с врезным кольцом (DIN 2353). Ввертной адаптер с внутренней резьбой BSP (уплотнение ED)
Фитинг-переходник артикулом 107504 от производителя CAST предназначен для создания герметичных резьбовых соединений в гидравлических системах. Данное изделие обеспечивает компактное подключение компонентов с различными типоразмерами резьбы. Серия L/S указывает на применение в условиях стандартного и низкого давления, охватывая такие области, как гидравлика мобильной техники, промышленное оборудование, системы смазки и топливоподачи.
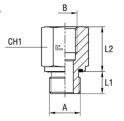
Конструктивно переходник представляет собой полый корпус с наружной резьбой BSP 1/4" (A, USIT) и внутренней резьбой BSP 3/8" (B). Изделие соответствует стандарту DIN 2353 для конусных трубных соединений, обеспечивая надежное и герметичное соединение с трубами соответствующего диаметра и типа. Это позволяет создавать надежные трубные соединения даже при высоких нагрузках.
- Артикул: 107504
- Рабочее давление (WP): 400 бар
- Размер под ключ (CH1): 24 мм
- Серия: L/S
- Длина L1: 12 мм
- Длина L2: 24 мм
- Стандарт трубного соединения: DIN 2353 (конус 24°)
- Размер наружной резьбы (A, USIT): 1/4" BSP
- Размер внутренней резьбы (B): 3/8" BSP
Данный фитинг CAST поставляется без уплотнительных шайб, которые необходимо подбирать отдельно согласно стандарту. Для изготовления из нержавеющей стали AISI 316, обеспечивающей повышенную коррозионную стойкость для агрессивных сред, следует использовать артикулы с префиксом 11... вместо 10....