Переходник-бочонок BSP 1/4"(Ш) - 3/4"(Г) арт. 107506 от Cast
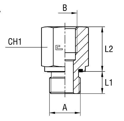
Переходник-бочонок BSP 1/4"(Ш) - 3/4"(Г). Соединения с врезным кольцом (DIN 2353). Ввертной адаптер с внутренней резьбой BSP (уплотнение ED)
Данный фитинг CAST является переходником-бочонком, предназначенным для создания герметичных разъемных соединений в гидравлических системах. Артикул: 107506. Обеспечивает надежную передачу рабочей жидкости под высоким давлением. Серия L/S указывает на возможность применения в условиях стандартных и высоких нагрузок. Распространен в системах смазки, топливопроводах, на станках и в мобильной технике, где требуется компактное и надежное подключение.
Конструкция переходника выполнена в виде полого элемента с наружной резьбой BSP 3/4" и внутренней резьбой 1/4". Соответствует стандартам для гидравлических трубных соединений, обеспечивая совместимость с соответствующими фитингами. Конусное уплотнение 24° согласно DIN 2353 гарантирует надежную герметизацию при монтаже.
- Тип соединения: BSP (внутр.) - BSP (внеш.)
- Резьба A (внутренняя): 1/4"
- Резьба B (наружная): 3/4"
- Рабочее давление (WP), бар: 400
- Стандарт трубного соединения: 24° DIN 2353
- Размер под ключ (CH1), мм: 36
- Общая длина (L1), мм: 12
- Длина резьбы (L2), мм: 31
Для заказа переходника из нержавеющей стали AISI 316, соответствующего для применения в агрессивных средах и обеспечивающего повышенную коррозионную стойкость, необходимо изменить префикс артикула с "10..." на "11...". Комплектность поставки включает сам переходник.