Переходник-бочонок BSP 1/2"(Ш) - 3/8"(Г) арт. 107510 от Cast
Переходник-бочонок BSP 1/2"(Ш) - 3/8"(Г). Соединения с врезным кольцом (DIN 2353). Ввертной адаптер с внутренней резьбой BSP (уплотнение ED)
Артикул: 107510. Данный переходник-бочонок производства CAST, серия L/S, предназначен для преобразования резьбовых соединений BSP 1/2" (наружная) и 3/8" (внутренняя) в гидравлических системах. Широко применяется для компактного и надежного подключения в системах среднего и высокого давления, в гидравлических линиях мобильной техники, промышленного оборудования и станков.
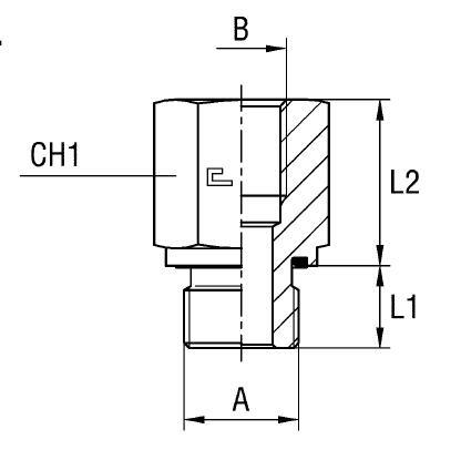
Конструктивно представляет собой полый цилиндрический фитинг для соединения трубопроводов с различными типами резьбы. Соответствует стандартам для трубных соединений 24° DIN 2353, обеспечивая герметичность и надежность при высоких нагрузках. Совместим с соответствующими трубными фитингами и наконечниками.
- Бренд: Cast
- Артикул: 107510
- Рабочее давление (WP): 400 бар
- Размер под ключ (CH1): 27 мм
- Серия: L/S (Light/Standard)
- Длина (L1): 14 мм
- Длина (L2): 22 мм
- Размер резьбы A (USIT): 1/2" BSP (наружная)
- Размер резьбы B: 3/8" BSP (внутренняя)
- Стандарт трубного соединения: 24° DIN 2353
Для обеспечения коррозионной стойкости и применения в агрессивных средах, доступны исполнения из нержавеющей стали AISI 316. Для заказа данного варианта, необходимо изменить префикс артикула с 10... на 11.... Поставляется без дополнительных уплотнительных шайб или наконечников.