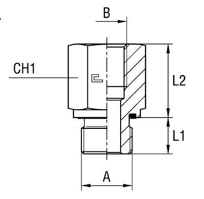
Переходник-бочонок BSP 1/2"(Ш) - 3/4"(Г) арт. 107511 от Cast
Переходник-бочонок BSP 1/2"(Ш) - 3/4"(Г). Соединения с врезным кольцом (DIN 2353). Ввертной адаптер с внутренней резьбой BSP (уплотнение ED)
Данный фитинг CAST представляет собой адаптер-бочонок с наружной резьбой BSP 1/2" и внутренней резьбой BSP 3/4", предназначенный для создания герметичных гидравлических соединений. Артикул 107511 относится к стандартной версии из углеродистой стали. Изделие успешно применяется в системах гидравлики среднего и высокого давления, включая мобильную технику, станочное оборудование и промышленное применение, где требуется надежное и компактное подключение.
Конструктивно переходник выполнен в виде цельного корпуса с двумя различными типами резьбовых концов, обеспечивающих переход между стандартами BSP. Соответствует требованиям к фитингам для создания надежных трубных соединений, обеспечивая герметичность при правильной установке. Размеры соответствуют стандартам для обеспечения совместимости с другими компонентами гидравлических систем.
- Артикул: 107511
- Рабочее давление (WP): 315 бар
- Размер под ключ (CH1): 36 мм
- Серия: L/S
- Длина L1: 14 мм
- Длина L2: 32 мм
- Тип соединения (внутренняя резьба): BSP 3/4"
- Тип соединения (наружная резьба): BSP 1/2"
- Стандарт трубного соединения: Соединения 24° DIN 2353
Для заказа данного переходника из нержавеющей стали AISI 316, необходимо использовать префикс артикула "11..." вместо "10...". Использование нержавеющей стали рекомендуется для применения в условиях повышенной коррозионной активности, агрессивных сред или для обеспечения максимальной долговечности изделия. Уплотнительные элементы (если применимо) поставляются отдельно или входят в комплект в зависимости от конкретной модификации.