Переходник-бочонок BSP 1-1/4"(Ш) - 1"(Г) арт. 107521 от Cast
Переходник-бочонок BSP 1-1/4"(Ш) - 1"(Г). Соединения с врезным кольцом (DIN 2353). Ввертной адаптер с внутренней резьбой BSP (уплотнение ED)
Представляем переходник-бочонок, артикул 107521, от производителя CAST, являющийся ключевым элементом для создания герметичных и надежных гидравлических систем. Данное изделие обеспечивает компактное соединение трубопроводов с различными стандартами резьбы и предназначено для использования в системах среднего и высокого давления. Применяется в мобильной и промышленной гидравлике, системах смазки и топливоподачи.
Конструкция переходника выполнена в виде цельного корпуса с наружной резьбой BSP и внутренней резьбой под конусное уплотнение 24° согласно DIN 2353. Это обеспечивает надежное и герметичное соединение с соответствующими фитингами и трубными наконечниками, гарантируя отсутствие утечек рабочей жидкости. Соответствие стандарту DIN 2353 является залогом совместимости с широким спектром гидравлического оборудования.
- Тип соединения: BSP (наружная) - Конусное 24° (внутренняя)
- Рабочее давление (WP): 315 бар
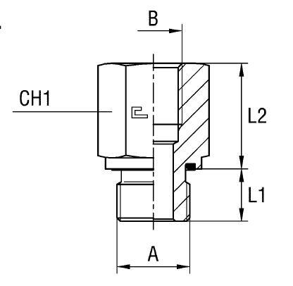
- Размер под ключ (CH1): 50 мм
- Серия: L/S (Light/Standard)
- Диаметр внутренней резьбы (B): 1"
- Диаметр наружной резьбы (A, USIT): 1 1/4"
- Стандарт трубного соединения: 24° DIN 2353
Данный фитинг CAST поставляется в стандартном исполнении из углеродистой стали. Для обеспечения высокой коррозионной стойкости и применения в агрессивных средах, доступны варианты исполнения из нержавеющей стали AISI 316. При заказе переходника из нержавеющей стали необходимо использовать префикс артикула "11...", в то время как стандартное исполнение имеет префикс "10...". Обратите внимание на длину штуцеров L1 (20 мм) и L2 (31 мм) при проектировании.