Переходник-бочонок BSP 1-1/4"(Ш) - 1-1/2"(Г) арт. 107522 от Cast
Переходник-бочонок BSP 1-1/4"(Ш) - 1-1/2"(Г). Соединения с врезным кольцом (DIN 2353). Ввертной адаптер с внутренней резьбой BSP (уплотнение ED)
Данный переходник-бочонок, артикул 107522, производства CAST, относится к серии L/S и предназначен для создания надежных герметичных соединений в гидравлических системах. Идеально подходит для применения в условиях стандартного и низкого давления, обеспечивая компактное подключение в таких областях, как станочное оборудование, гидравлика мобильной техники, а также системы подачи смазочных материалов и топлива.
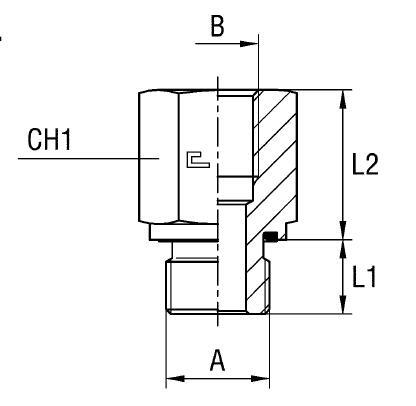
Конструкция переходника представляет собой элемент с двумя различными резьбовыми присоединениями: наружной BSP 1-1/4" (размер A) и наружной BSP 1-1/2" (размер B). Изделие соответствует стандартам для трубных соединений, обеспечивая совместимость с соответствующими фитингами и компонентами гидравлических линий. Его конструкция гарантирует надежное и герметичное соединение.
- Рабочее давление (WP): 250 бар
- Размер под ключ (CH1): 60 мм
- Серия: L/S
- Длина L1: 20 мм
- Длина L2: 40 мм
- Стандарт трубного соединения: Соединения 24° DIN 2353
- Размер резьбы A (USIT): 1-1/4" BSP
- Размер резьбы B: 1-1/2" BSP
Для заказа данного фитинга CAST из нержавеющей стали AISI 316, необходимо изменить префикс артикула с 10... на 11.... Этот вариант исполнения рекомендован для эксплуатации в условиях повышенной влажности или в агрессивных средах, где требуется высокая коррозионная стойкость. При заказе уточняйте наличие уплотнительных шайб, если они необходимы для конкретного применения.