Переходник-бочонок BSP 1-1/2"(Ш) - 1-1/4"(Г) арт. 107523 от Cast
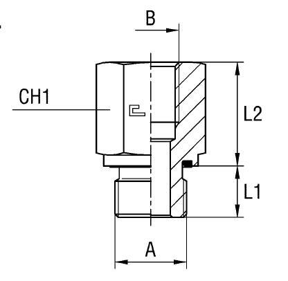
Переходник-бочонок BSP 1-1/2"(Ш) - 1-1/4"(Г). Соединения с врезным кольцом (DIN 2353). Ввертной адаптер с внутренней резьбой BSP (уплотнение ED)
Данный фитинг CAST представляет собой переходный бочонок (артикул 107523) для создания герметичных соединений в гидравлических системах. Обеспечивает компактное подключение с различными типоразмерами резьбы. Применяется в стационарном оборудовании, станочной технике и мобильных машинах, работающих в условиях стандартного и среднего давления. Серия L/S.
Конструкция переходника выполнена в соответствии со стандартом DIN 2353, обеспечивая надежное соединение с трубными элементами. Переходник имеет наружную резьбу BSP 1-1/2" (USIT) с одной стороны и наружную резьбу 1-1/4" (B) с другой, совместимую с уплотнительными конусами.
- Рабочее давление (WP): 250 бар
- Резьбовое соединение (A, USIT): 1 1/2"
- Резьбовое соединение (B): 1 1/4"
- Серия: L/S
- Размер под ключ (CH1): 55 мм
- Стандарт трубного соединения: 24° DIN 2353
Для заказа переходника из нержавеющей стали AISI 316 (повышенная коррозионная стойкость) следует использовать артикул с префиксом "11..." вместо "10...". Этот материал оптимален для применения в агрессивных средах или при высоких требованиях к гигиеничности. Комплектуется необходимыми уплотнительными элементами для надежного трубного соединения.