Переборочный штуцер FDE DS16 BSP 1/2" (корпус) арт. 104919.1 от Cast
Переборочный штуцер FDE DS16 BSP 1/2" (корпус). Соединения с врезным кольцом (DIN 2353). Прямой переборочный адаптер BSP с уплотнением ED
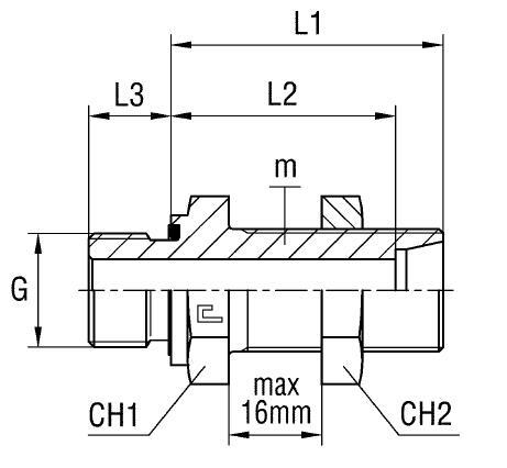
Переборочный штуцер, артикул 104919.1, производства CAST, предназначен для создания герметичного соединения при переходе через стенку или панель. Используется в гидравлических системах среднего давления, системах смазки и в станочном оборудовании. Обеспечивает надежное трубное соединение.
Конструкция штуцера позволяет осуществлять переборочное соединение, обеспечивая надежную фиксацию и герметичность. Соответствует стандарту DIN 2353 для соединений с врезным кольцом (24°). Штуцер совместим с трубными соединениями с метрической резьбой и конусностью 24°.
- Артикул: 104919.1
- Производитель: CAST
- Рабочее давление (WP): 400 бар
- Диаметр трубы (D1): 16 мм
- Размер под ключ (CH1/CH2): 32 мм
- Резьба G: 1/2" BSP
- Резьба m D1: 24x1.5
- Серия: S (легкая)
- Стандарт соединения: DIN 2353 (24°)
Штуцер поставляется в стандартном исполнении. Доступны варианты исполнения из нержавеющей стали AISI 316 для применения в агрессивных средах и условиях повышенной коррозионной опасности. Для заказа штуцера из нержавеющей стали AISI 316, необходимо заменить префикс артикула с "10..." на "11...". Для заказа с гайкой из нержавеющей стали AISI 304, необходимо заменить префикс артикула с "10..." на "14...". Данный фитинг CAST не соответствует норме ISO 8434-1 и поставляется только по запросу.