Переборочный штуцер FDE DL42 BSP 1-1/2" (корпус) арт. 104913.1 от Cast
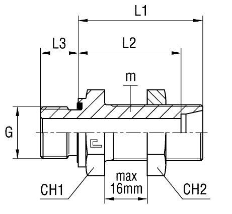
Переборочный штуцер FDE DL42 BSP 1-1/2" (корпус). Соединения с врезным кольцом (DIN 2353). Прямой переборочный адаптер BSP с уплотнением ED
Переборочный штуцер FDE DL42 BSP 1-1/2" (корпус), артикул 104913.1, от производителя CAST предназначен для герметичного соединения гидравлических компонентов через стенки или перегородки. Используется в системах с низким и средним давлением, подходит для масла, топлива и других гидравлических жидкостей. Применяется в станках и мобильной технике.
Конструкция штуцера обеспечивает надежное и герметичное трубное соединение. Соответствует стандарту DIN 2353 (соединения 24°), что гарантирует совместимость с широким спектром фитингов. Штуцер предназначен для установки через отверстие в стенке, обеспечивая соединение труб с резьбой BSP 1-1/2". Конструкция обеспечивает простой и быстрый монтаж.
- Артикул: 104913.1
- Рабочее давление: 160 бар
- Диаметр трубы: 42 мм
- Размер под ключ 1: 60 мм
- Размер под ключ 2: 65 мм
- Резьба G: 1 1/2" BSP
- Резьба m D1: 52x2
- Серия: L
Штуцер поставляется как корпус. Для заказа фитинга CAST из нержавеющей стали AISI 316 необходимо изменить префикс артикула с 10 на 11. Для версии с гайкой из нержавеющей стали AISI 304 - префикс 14. Данная позиция не соответствует ISO 8434-1 и доступна только по запросу. Материал - сталь.