Переборочный штуцер FDE DL22 BSP 3/4" (корпус) арт. 104910.1 от Cast
Переборочный штуцер FDE DL22 BSP 3/4" (корпус). Соединения с врезным кольцом (DIN 2353). Прямой переборочный адаптер BSP с уплотнением ED
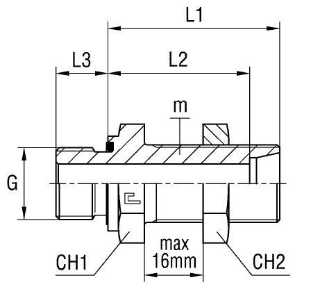
Данный переборочный штуцер (корпус) с артикулом 104910.1, произведенный CAST (серия L), используется для создания герметичного и механически прочного прохода гидравлической или пневматической магистрали сквозь монтажные панели или стенки. Это критически важное **трубное соединение** в системах с номинальным рабочим давлением до 160 бар. Изделие оптимально для использования в машиностроении, системах централизованной смазки, а также в мобильной спецтехнике, требующей надежной фиксации трубопроводов диаметром 22 мм.
Конструктивно фитинг представляет собой прямой корпус FDE, разработанный для работы с 24-градусным конусом по стандарту DIN 2353. Монтаж штуцера осуществляется за счет внешней цилиндрической резьбы BSP 3/4", фиксирующей его в переборочном отверстии. Внутренняя часть фитинга имеет метрическую резьбу 30x2 для установки переборочной гайки (приобретается отдельно). Обратите внимание, что данная позиция поставляется как корпус и не является законченным фитингом по норме ISO 8434-1.
- Артикул: 104910.1
- Серия: Легкая (L)
- Рабочее давление (WP): 160 бар
- Диаметр подключаемой трубы D1: 22 мм
- Переборочная резьба: BSP 3/4"
- Размер под ключ CH2 (для монтажа): 41 мм
Стандартное исполнение представляет собой стальной фитинг CAST. Для эксплуатации в условиях повышенной влажности, химической активности или там, где требуется высокая коррозионная стойкость, доступно исполнение из нержавеющей стали AISI 316. Для заказа полностью нержавеющего изделия замените префикс артикула с 10.... на 11....; вариант с корпусом AISI 316 и гайкой AISI 304 доступен под префиксом 14..... Изделие поставляется без накидной гайки и обжимного кольца, которые необходимо заказывать отдельно для комплектации трубного узла.