Переборочный штуцер FDE DL18 BSP 1/2" (корпус) арт. 104909.1 от Cast
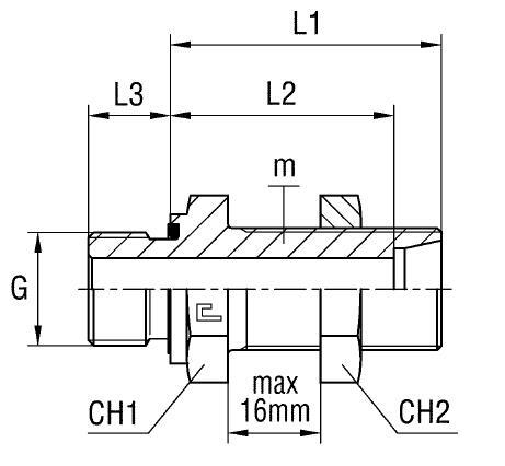
Переборочный штуцер FDE DL18 BSP 1/2" (корпус). Соединения с врезным кольцом (DIN 2353). Прямой переборочный адаптер BSP с уплотнением ED
Переборочный штуцер CAST FDE DL18 BSP 1/2" (корпус) с артикулом 104909.1 предназначен для создания надежного, герметичного соединения в гидравлических системах. Этот фитинг обеспечивает компактное подключение труб в станочном оборудовании и других промышленных приложениях, работающих при стандартном давлении.
Конструкция переборочного штуцера обеспечивает надежное трубное соединение, соответствующее стандарту DIN 2353. Он совместим с трубными соединениями с углом конуса 24°. Данный фитинг CAST позволяет осуществить монтаж сквозь перегородку, обеспечивая удобство и надежность в различных условиях эксплуатации.
- Артикул: 104909.1
- Производитель: CAST
- Рабочее давление: 315 бар
- Диаметр трубы D1: 18 мм
- Размер под ключ CH1: 32 мм
- Размер под ключ CH2: 36 мм
- Резьба G: 1/2 BSP
- Резьба m D1: 26x1.5
- Серия: L
- Стандарт: Соединения 24° DIN 2353
Данный фитинг изготавливается из стали. Для заказа фитинга из нержавеющей стали AISI 316 необходимо заменить префикс артикула с 10 на 11. Для версии с гайкой из нержавеющей стали AISI 304 используйте префикс 14. Данный фитинг предназначен для использования в стандартных гидравлических системах. Обратите внимание, что позиция не соответствует норме ISO 8434-1 и доступна только по запросу.