Переборочный штуцер FDE DL12 BSP 3/8" (корпус) арт. 104907.1 от Cast
Переборочный штуцер FDE DL12 BSP 3/8" (корпус). Соединения с врезным кольцом (DIN 2353). Прямой переборочный адаптер BSP с уплотнением ED
Переборочный штуцер FDE DL12 BSP 3/8" (корпус), артикул 104907.1, производства CAST, предназначен для создания надежного и герметичного соединения в гидравлических системах. Этот фитинг CAST используется в системах со стандартным давлением, для подключения гидравлических линий в станках, мобильной технике, и других промышленных применениях, где требуется надежное трубное соединение.
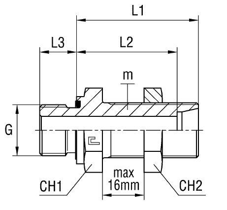
Конструкция штуцера обеспечивает надежное соединение благодаря своей геометрии и прецизионной обработке. Соответствует стандарту DIN 2353, что гарантирует совместимость с трубными соединениями с углом конуса 24°. Позволяет осуществлять переборочное соединение, обеспечивая удобный монтаж и обслуживание системы.
- Артикул: 104907.1
- Бренд: CAST
- Рабочее давление: 315 бар
- Диаметр трубы (D1): 12 мм
- Резьба (G): 3/8" BSP
- Резьба (M): 18x1.5
- Серия: L
- Стандарт: DIN 2353 (Соединения 24°)
Штуцер поставляется в корпусе. Материал корпуса - сталь. Для заказа фитинга из нержавеющей стали AISI 316, необходимо изменить префикс артикула с 10 на 11. При использовании в агрессивных средах рекомендуется использование фитингов из нержавеющей стали.