Переборочный штуцер FDE DL10 BSP 1/4" (корпус) арт. 104906.1 от Cast
Переборочный штуцер FDE DL10 BSP 1/4" (корпус). Соединения с врезным кольцом (DIN 2353). Прямой переборочный адаптер BSP с уплотнением ED
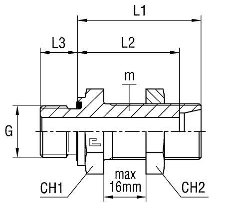
Представленный элемент, артикул 104906.1, является переборочным штуцером серии L (легкая) от производителя фитинг CAST. Основное назначение — создание герметичного и надежного прохода гидравлической линии через монтажную панель, стенку или корпус оборудования. Данное изделие разработано для использования в системах со стандартным и низким давлением, характерных для станочного оборудования, систем смазки и общепромышленной гидравлики с максимальным рабочим давлением до 315 бар.
Конструктивно штуцер представляет собой корпус, предназначенный для формирования трубное соединение с углом конуса 24° в соответствии со стандартом DIN 2353. Изделие оснащено метрической резьбой M16x1.5 для подключения обжимного кольца и накидной гайки (заказываются отдельно), а также трубной резьбой BSP 1/4" для непосредственного монтажа в контур. Обращаем внимание, что данная позиция (FDE) является специализированной и доступна по запросу, поскольку она не соответствует прямому требованию ISO 8434-1.
- Рабочее давление (WP): 315 бар
- Номинальный диаметр трубы D1: 10 мм
- Присоединительная трубная резьба: BSP 1/4"
- Резьба для обжимной гайки: M16x1.5 (Серия L)
- Стандарт: Соединения 24° DIN 2353
Стандартное исполнение штуцера (104906.1) выполнено из стали с защитным гальваническим покрытием. Для эксплуатации в агрессивных средах и условиях повышенной коррозионной опасности доступен вариант из нержавеющей стали AISI 316 (при заказе замените префикс артикула на 11....). Также возможен комбинированный вариант из нержавеющей стали AISI 316 с накидной гайкой из AISI 304 (префикс 14....). Комплектность не включает обжимное кольцо и гайку, которые необходимо приобретать отдельно.