Муфта соединительная BSP 3/8"(Г) - 3/8"(Г) арт. 301603 от Cast
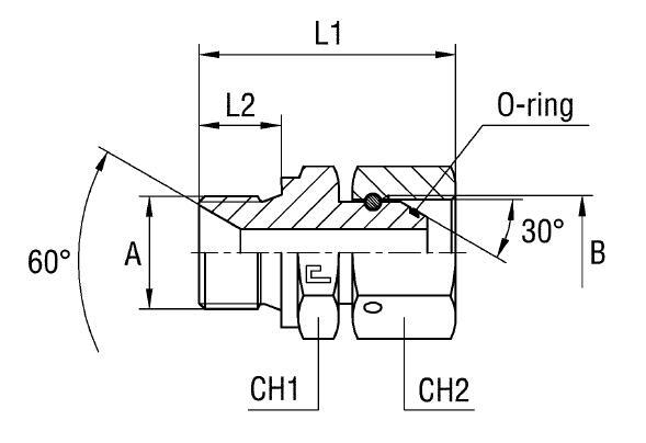
Муфта соединительная BSP 3/8"(Г) - 3/8"(Г). Соединения с уплотнением по конусу 60° (BSP). Прямой фитинг BSP с накидной гайкой
Муфта соединительная, артикул 301603, предназначена для создания герметичного и надежного прямого трубного соединения двух гидравлических линий с внутренней резьбой. Произведенная брендом CAST в универсальной серии, она оптимальна для использования в широком спектре гидравлических систем общего назначения, включая станки, мобильную технику и промышленные установки, где требуется быстрое и эффективное сочленение компонентов при стандартном рабочем давлении.
Данная муфта представляет собой цельнометаллический фитинг с двумя внутренними резьбами G 3/8". Конструкция включает шестигранный корпус, обеспечивающий удобный и надежный монтаж с использованием стандартного гаечного ключа. Соответствие стандарту трубного соединения BS-5200 с углом конуса 60° гарантирует полную совместимость и герметичность при работе с фитингами BSPP (G) соответствующих типоразмеров.
- Артикул: 301603
- Рабочее давление (WP): 400 бар
- Размер резьбы: G 3/8" (внутренняя)
- Стандарт соединения: 60° BS-5200
- Размер под ключ: 22 мм
- Габаритная длина (L1): 39 мм
Стандартное исполнение муфты выполнено из высокопрочной стали, обеспечивающей долговечность и устойчивость к высоким нагрузкам. Для эксплуатации в агрессивных средах или условиях, требующих повышенной коррозионной стойкости, доступно исполнение из нержавеющей стали AISI 316. Для заказа данной версии необходимо изменить первые две цифры артикула с 30.... на 31..... Комплектность не включает уплотнительные шайбы, которые при необходимости, особенно для критически важных гидравлических соединений, следует приобретать отдельно с учетом норм давления и требований к герметизации.