Муфта соединительная BSP 1/2"(Г) - 1/2"(Г) арт. 301604 от Cast
Муфта соединительная BSP 1/2"(Г) - 1/2"(Г). Соединения с уплотнением по конусу 60° (BSP). Прямой фитинг BSP с накидной гайкой
Артикул 301604 от производителя CAST представляет собой универсальную соединительную муфту, предназначенную для создания герметичных и надежных разъемных соединений в гидравлических системах. Применяется для подключения шлангов и трубок в системах среднего и высокого давления, включая гидравлику мобильной техники, промышленное оборудование и системы смазки. Данный фитинг обеспечивает компактное и безопасное изменение направления потока или удлинение гидравлических линий.
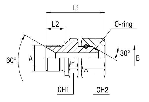
Конструкция муфты предусматривает два внутренних резьбовых соединения BSP 1/2" стандарта BS-5200 с конусностью 60°, обеспечивая надежное уплотнение совместно с соответствующими фитингами или наконечниками. Соответствие стандарту BS-5200 гарантирует совместимость с большинством распространенных гидравлических компонентов. Прочная конструкция обеспечивает долговечность эксплуатации в условиях переменных нагрузок.
- Рабочее давление (WP): 350 бар
- Размер резьбы: 1/2" BSP (UK)
- Стандарт трубного соединения: BS-5200 (60° конус)
- Размер под ключ (CH1, CH2): 27 мм
- Длина (L1): 45 мм
- Длина (L2): 14 мм
- Серия: Универсальная
Муфта изготавливается из высококачественной стали. Для заказа изделия из нержавеющей стали AISI 316, обладающей повышенной коррозионной стойкостью и пригодной для работы в агрессивных средах, необходимо изменить префикс артикула с 30 на 31 (311604). Для уплотнительных систем с применением омедненной прокладки (USIT) следует ориентироваться на нормы давления, указанные в позициях, начинающихся с 3001. Этот фитинг CAST является неотъемлемым элементом надежного трубного соединения.