Муфта-переходник BSP 3/8"(Г) - 1/4"(Г) арт. 301612 от Cast
Муфта-переходник BSP 3/8"(Г) - 1/4"(Г). Соединения с уплотнением по конусу 60° (BSP). Прямой фитинг BSP с накидной гайкой
Муфта-переходник, артикул 301612, от производителя CAST предназначена для соединения трубопроводов с различными диаметрами резьбы BSP. Используется в гидравлических системах низкого и среднего давления, в том числе в системах смазки и подачи топлива. Подходит для применения в станочном оборудовании и мобильной технике.
Конструкция представляет собой переходной фитинг, обеспечивающий надежное и герметичное трубное соединение. Соответствует стандарту BS-5200 для соединений с углом 60°. Обеспечивает совместимость с различными компонентами гидравлических систем.
- Рабочее давление: 400 бар
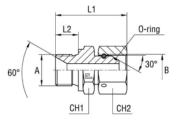
- Размер под ключ 1 (CH1): 22 мм
- Размер под ключ 2 (CH2): 19 мм
- Длина L1: 38 мм
- Длина L2: 12 мм
- Размер A (USIT): 3/8"
- Размер B: 1/4"
Поставляется в стандартном исполнении из стали. Для заказа муфты-переходника из нержавеющей стали AISI 316 необходимо изменить префикс артикула с 30 на 31. Для систем с омедненной прокладкой необходимо учитывать нормы давления, указанные для артикулов 3001... Данный фитинг CAST подходит для использования в стандартных условиях эксплуатации.