Муфта-переходник BSP 1/4"(Г) - 3/8"(Г) арт. 301611 от Cast
Муфта-переходник BSP 1/4"(Г) - 3/8"(Г). Соединения с уплотнением по конусу 60° (BSP). Прямой фитинг BSP с накидной гайкой
Данный фитинг, артикул 301611 от производителя CAST, представляет собой муфту-переходник, предназначенную для герметичного и надежного соединения гидравлических линий с различными резьбовыми стандартами. Серия "Универсальная" предполагает широкое применение в системах смазки, низкого и стандартного давления, включая гидравлические системы мобильной техники и станочного оборудования.
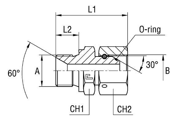
Конструктивно, изделие выполнено в виде полой муфты с внутренней цилиндрической резьбой BSP. Соответствует стандарту соединений 60° BS-5200, обеспечивая надежное уплотнение в сочетании с соответствующими наконечниками или другими компонентами.
- Бренд: Cast
- Артикул: 301611
- Рабочее давление (WP), бар: 400
- Размер под ключ 2 (CH2): 22
- Размер под ключ 1 (CH1): 19
- Серия: Универсальная
- Длина L1: 37
- Длина L2: 11
- Стандарт трубного соединения: Соединения 60° BS-5200
- Размер B: 3/8" (Г)
- Размер A (USIT): 1/4" (Г)
Для заказа изделия из нержавеющей стали AISI 316, допускающего применение в агрессивных средах и обеспечивающего повышенную коррозионную стойкость, необходимо использовать артикул, начинающийся с префикса "31" вместо "30". При использовании омедненных прокладок, нормы рабочего давления следует уточнять по соответствующим позициям, например, 3001... . Данный фитинг CAST является ключевым элементом для построения сложных гидравлических контуров.