Муфта-переходник BSP 1/2"(Г) - 3/4"(Г) арт. 301616 от Cast
Муфта-переходник BSP 1/2"(Г) - 3/4"(Г). Соединения с уплотнением по конусу 60° (BSP). Прямой фитинг BSP с накидной гайкой
Артикул 301616 от производителя CAST представляет собой универсальную резьбовую муфту-переходник, предназначенную для создания надежных и герметичных соединений в гидравлических системах. Данное изделие находит широкое применение в мобильной технике, станочном оборудовании и системах общего назначения, обеспечивая переход с наружной резьбы 1/2" на 3/4" стандарта BSP. Обеспечивает компактное подключение компонентов гидравлической системы.
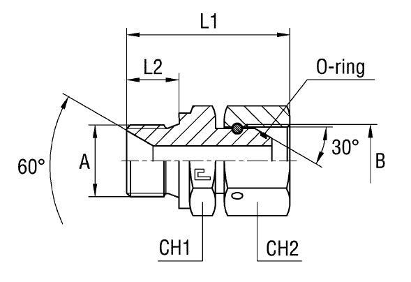
Конструктивно муфта выполнена в виде цельного корпуса с внутренней резьбой BSP 1/2" на одном конце и BSP 3/4" на другом. Соответствие стандарту BS-5200 для угловых трубных соединений с конусностью 60° гарантирует высокую герметичность и надежность соединения. Изготовлена из высококачественной стали, обеспечивающей механическую прочность.
- Тип изделия: Муфта-переходник
- Производитель: CAST
- Артикул: 301616
- Рабочее давление (WP): 315 бар
- Резьба A (USIT): 1/2" BSP (внутренняя)
- Резьба B: 3/4" BSP (внутренняя)
- Стандарт трубного соединения: Соединения 60° BS-5200
- Размер под ключ 1 (CH1): 27 мм
- Размер под ключ 2 (CH2): 32 мм
- Общая длина (L1): 49 мм
- Длина резьбы (L2): 14 мм
Для заказа изделий из нержавеющей стали AISI 316 (для повышенной коррозионной стойкости и применения в агрессивных средах) необходимо использовать артикулы, начинающиеся с префикса 31..... При использовании с омедненными прокладками для уплотнительных систем, следует учитывать нормы рабочего давления, указанные для позиций 3001.... Уплотнительные шайбы (при необходимости) заказываются отдельно.