Крестовина гидравлическая BSP 1/4" (Ш), артикул 301202 от Cast
Крестовина гидравлическая BSP 1/4" (Ш). Соединения с уплотнением по конусу 60° (BSP). Проходной соединитель с внутренней резьбой BSP
Данная крестовина гидравлическая BSP (артикул 301202) производства CAST, входящая в Универсальную серию, предназначена для создания четырехстороннего герметичного соединения в гидравлических системах. Она обеспечивает эффективное распределение потока рабочей жидкости и позволяет компактно подключать несколько гидравлических линий. Применяется в стационарных и мобильных гидравлических установках, машиностроении и системах смазки, требующих стандартного давления.
Конструкция представляет собой цельнолитой или кованый фитинг с четырьмя внутренними резьбовыми портами стандарта BSP 1/4" (Ш). Это обеспечивает надежное и герметичное трубное соединение с ответными элементами, оснащенными наружной конической резьбой 60° по стандарту BS-5200. Прочность и геометрическая точность изготовления гарантируют долговечность эксплуатации в условиях вибрации и пульсации давления.
- Рабочее давление (WP): 350 бар
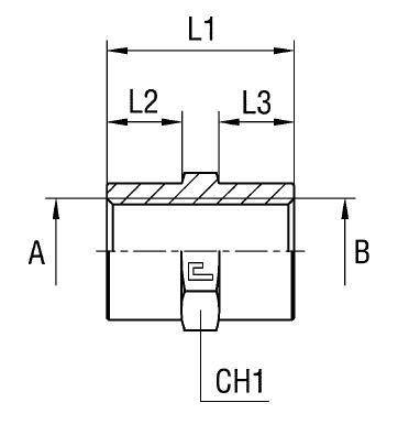
- Размер резьбы BSP (Ш): 1/4"
- Размер под ключ (CH1): 19 мм
- Стандарт трубного соединения: 60° BS-5200
- Длина L1: 30 мм
- Длина L2: 12 мм
- Длина L3: 12 мм
Стандартное исполнение гидравлического фитинга CAST выполнено из высококачественной стали. Для применения в условиях повышенной коррозионной активности или агрессивных сред доступна модификация из нержавеющей стали AISI 316. Для заказа крестовины из нержавеющей стали необходимо изменить префикс артикула с "30..." на "31...".