Крестовина гидравлическая BSP 1/2" (Ш), артикул 301204 от Cast
Крестовина гидравлическая BSP 1/2" (Ш). Соединения с уплотнением по конусу 60° (BSP). Проходной соединитель с внутренней резьбой BSP
Данная гидравлическая крестовина, артикул 301204 от производителя Cast, представляет собой четырехканальный разветвительный элемент универсальной серии. Основное назначение изделия — обеспечение герметичного и надежного соединения четырех гидравлических линий, а также создание сложных разветвленных систем. Этот фитинг CAST оптимален для использования в гидравлических системах со стандартным рабочим давлением, применяемых в машиностроении, станочном оборудовании, мобильной технике и промышленных установках.
Конструктивно крестовина выполнена как цельный фитинг, имеющий четыре резьбовых порта для подключения компонентов. Соединения соответствуют стандарту 60° BS-5200, что гарантирует высокую надежность и совместимость с широко распространенными трубными и шланговыми наконечниками, обеспечивая плотное конусное уплотнение без дополнительных герметиков. Это обеспечивает эффективное и долговечное трубное соединение BSP в различных гидравлических схемах.
- Рабочее давление (WP): 225 бар
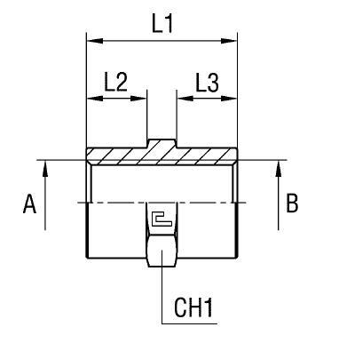
- Размер под ключ (CH1): 27 мм
- Резьба: BSP 1/2"
- Стандарт соединения: Соединения 60° BS-5200
- Общая длина (L1): 38 мм
- Длина резьбовой части (L2/L3): 15 мм
Базовое исполнение крестовины изготовлено из высококачественной стали. Для применений в агрессивных средах или условиях повышенной коррозии доступна модификация из нержавеющей стали AISI 316. Для заказа версии из нержавеющей стали достаточно изменить префикс артикула с "30..." на "31...". Это позволяет адаптировать крестовину для использования в морской технике, химической промышленности и других специфических условиях, требующих повышенной устойчивости к коррозии.