Фитинг JIC угловой 90° DN20 1-5/16" штифтованный арт. 802017 от Cast
Фитинг JIC угловой 90° DN20 1-5/16" штифтованный. Дюймовые фитинги. Фитинг JIC с накидной гайкой (конус 37°, SAE J514)
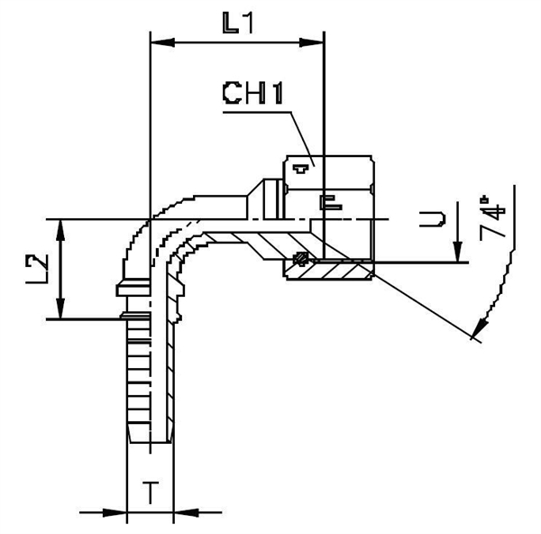
Представленный угловой фитинг 90° с накидной гайкой (артикул 802017, серия 80) предназначен для формирования компактного и герметичного гидравлического соединения в местах, требующих изменения направления потока рукава высокого давления (РВД) на 90 градусов. Данное изделие от Фитинг CAST соответствует требованиям стандартного и среднего рабочего давления до 290 бар. Основные области применения включают мобильную гидравлику, строительную и сельскохозяйственную технику, а также промышленные линии смазки и подачи жидкостей.
Конструктивно фитинг представляет собой угловой фитинг JIC, изготовленный в соответствии со стандартом JIC (SAE J514 37° Flare). Штифтованное исполнение обеспечивает максимальную надежность при работе с высокими вибрационными нагрузками. Присоединительная резьба (1 5/16"-12) и конус 37° гарантируют быстрое, разборное и плотное соединение с соответствующими наконечниками РВД. Условный проход (DN 19) обеспечивает высокую пропускную способность для гидравлических жидкостей.
- Рабочее давление (WP): 290 бар
- Условный диаметр (DN): 19 мм (3/4")
- Размер резьбы JIC: 1 5/16-12
- Размер DASH: -12
- Длина L1 (CAST): 61,5 мм
Стандартное исполнение выполнено из высокопрочной углеродистой стали, защищенной от коррозии оцинковкой. Для работы в условиях повышенной влажности, морской среды или при контакте с агрессивными рабочими средами, предусмотрен вариант исполнения из нержавеющей стали AISI 316. При заказе изделий с повышенной коррозионной стойкостью необходимо изменить префикс артикула с 80... на 81....