Фитинг JIC угловой 90° DN20 1-1/16" (Г) арт. 801915 от Cast
Фитинг JIC угловой 90° DN20 1-1/16" (Г). Дюймовые фитинги. Фитинг JIC с накидной гайкой (конус 37°, SAE J514)
Угловой фитинг CAST, артикул 801915, предназначен для создания надежного и герметичного соединения в гидравлических системах. Этот фитинг JIC 90 градусов используется для компактного подключения труб и шлангов в станках, мобильной технике и других промышленных приложениях, работающих со стандартным давлением. Серия 80 обеспечивает высокую производительность и долговечность.
Конструкция углового фитинга обеспечивает удобный монтаж в условиях ограниченного пространства. Фитинг соответствует стандартам JIC, что гарантирует совместимость с соответствующими трубными соединениями и конусностью 37°. Надежное соединение достигается благодаря точно изготовленным резьбовым элементам.
- Рабочее давление (WP): 350 бар
- Внутренний диаметр (ID): 3/4 дюйма
- Условный диаметр (DN): 19
- Размер DASH: -12
- Размер U (CAST): 1 1/16-12
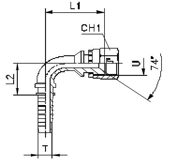
- Длина L1: 57 мм
Данный фитинг CAST поставляется без дополнительных уплотнительных элементов. Для заказа исполнения из нержавеющей стали AISI 316 необходимо заменить префикс артикула с 80... на 81.... Нержавеющая сталь обеспечивает превосходную коррозионную стойкость и позволяет использовать фитинг в агрессивных средах. Обеспечивает надежное трубное соединение в самых требовательных условиях эксплуатации.