Фитинг JIC угловой 90° DN16 1-1/16" штифтованный арт. 802014 от Cast
Фитинг JIC угловой 90° DN16 1-1/16" штифтованный. Дюймовые фитинги. Фитинг JIC с накидной гайкой (конус 37°, SAE J514)
Представляем угловой фитинг CAST JIC 90° (артикул 802014), разработанный для создания герметичных и быстроразъемных соединений в гидравлических системах высокого давления. Данное изделие обеспечивает компактное подключение рукавов высокого давления (РВД) под углом 90 градусов. Серия производства CAST предназначена для использования в мобильной технике, станках, а также системах смазки и топливоподачи со стандартным рабочим давлением до 350 бар.
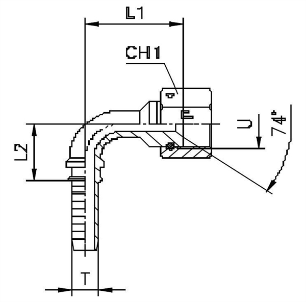
Конструктивно фитинг представляет собой штифтованный (Swivel) элемент, обеспечивающий вращение при монтаже и предотвращающий перекручивание РВД. Он соответствует американскому стандарту JIC 37° (SAE J514), гарантируя надежное трубное соединение с конусностью 37 градусов. Резьба 1 1/16"-12 UN/UNF (Size U) оптимальна для РВД с условным диаметром DN16 (DASH -10).
- Рабочее давление (WP): 350 бар
- Условный диаметр (DN): 16 мм
- Размер резьбы JIC (U): 1 1/16"-12 UN/UNF
- Внутренний диаметр рукава (ID): 5/8 дюйма
- Общая длина корпуса (L1): 47 мм
Стандартное исполнение (серия 80...) выполнено из высокопрочной углеродистой стали с антикоррозионным покрытием. Для эксплуатации в агрессивных и высококоррозионных средах, включая морские условия или химическую промышленность, доступен вариант из нержавеющей стали AISI 316. Для заказа коррозионностойкого исполнения необходимо изменить префикс артикула с 80... на 81... Обеспечивается высокая надежность при использовании стандартного резьбового соединения JIC.