Фитинг JIC угловой 90° DN08 9/16" штифтованный арт. 802006 от Cast
Фитинг JIC угловой 90° DN08 9/16" штифтованный. Дюймовые фитинги. Фитинг JIC с накидной гайкой (конус 37°, SAE J514)
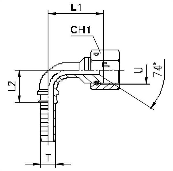
Представляем угловой 90-градусный фитинг CAST (артикул 802006), разработанный для обеспечения надежного герметичного соединения в гидравлических системах. Это штифтованное изделие с условным диаметром DN08 и размером резьбы 9/16-18 UNF. Основное назначение – компактное подключение гибких элементов (РВД) и изменение направления потока на 90° в условиях ограниченного пространства. Используется в широком спектре приложений: от мобильной техники и строительного оборудования до промышленных станков, работающих при стандартном рабочем давлении до 350 бар.
Конструкция фитинга выполнена по стандарту JIC (SAE J514) с углом уплотнительного конуса 37°, обеспечивающим высокую надежность и герметичность даже при значительных вибрационных и пульсационных нагрузках. Данное трубное соединение является монолитным (штифтованным), что гарантирует прочность и целостность. Угловая форма облегчает трассировку гидравлической линии, соответствуя международным стандартам для упрощенной интеграции с рукавами высокого давления (РВД) или жесткими трубками, оснащенными ответной частью JIC.
- Рабочее давление (WP): 350 бар
- Тип резьбы (JIC): 9/16-18 UNF
- Условный проход (DN): 8 мм (DASH -5)
- Внутренний диаметр (ID): 5/16 дюйма
- Длина монтажная (L1, CAST): 33,5 мм
Стандартное исполнение фитинга изготовлено из высокопрочной углеродистой стали с антикоррозионным покрытием. Для работы в условиях повышенной влажности, агрессивных сред или при необходимости коррозионной стойкости, доступен вариант исполнения из нержавеющей стали (аналог AISI 316). Для заказа версии из нержавеющей стали необходимо изменить префикс артикула с 80... на 81... Заметьте, что данный гидравлический угловой фитинг поставляется без ответной гайки и уплотнительных элементов, которые заказываются отдельно.