Фитинг DKO-L прямой DN20 M26x1.5 (Г) арт. 8010123-0 от Cast
Фитинг DKO-L прямой DN20 M26x1.5 (Г). Метрические фитинги. Фитинг DKOL с накидной гайкой (конус 24°, легкая серия)
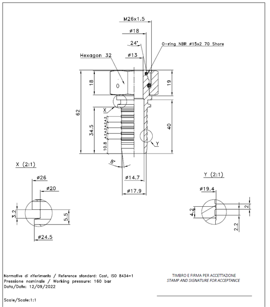
Прямой фитинг DKO-L, артикул 8010123-0, предназначен для герметичного соединения гидравлических компонентов. Производится компанией CAST и относится к серии фитингов DKO-L. Используется в гидравлических системах стандартного давления, в частности, в станках, мобильной технике и системах смазки.
Данный фитинг CAST обеспечивает надежное трубное соединение благодаря своей конструкции, соответствующей стандарту DIN 2353. Конструкция предусматривает прямое подключение с резьбой M26x1.5 (Г) и совместима с конусными соединениями для обеспечения максимальной герметичности.
- Рабочее давление: 160 бар
- Размер под ключ 1: 32 мм
- Резьба M: 26x1.5
- Внутренний диаметр: 3/4 дюйма (DN20)
- Условный диаметр: 19 мм
- Размер DASH: 12
- Длина L1: 19 мм
Поставляется как отдельный компонент. Изготавливается из высокопрочной стали. Для заказа исполнения из нержавеющей стали AISI 316 необходимо изменить префикс артикула. Данный трубное соединение рекомендуется для использования в условиях, требующих повышенной коррозионной стойкости.