Фитинг DKM угловой 90° DN06 M18x1.5 (Г), артикул 803705 от Cast
Фитинг DKM угловой 90° DN06 M18x1.5 (Г). Метрические фитинги. Фитинг DKM с накидной гайкой (сферическое уплотнение)
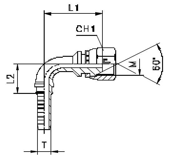
Данный гидравлический фитинг CAST (артикул 803705) относится к серии DKM и предназначен для формирования высоконадежного трубного соединения под углом 90°. Изделие выполнено в конфигурации угловой накидной гайки (Г) и оптимизировано для работы с рукавами высокого давления номинальным диаметром DN 06. Основное назначение – обеспечение герметичности и компактного подключения в нагруженных гидравлических системах, включая мобильную технику, производственные линии и металлообрабатывающие станки.
Конструктивно фитинг представляет собой угловой фитинг 90° с метрической резьбой M18x1.5. Конструкция соответствует международным стандартам DIN 2353/ISO 8434-1, что гарантирует совместимость с широким спектром трубных соединений. Уникальность соединения DKM заключается в его способности выдерживать повышенные рабочие и пульсирующие давления, обеспечивая легкую сборку и демонтаж благодаря конструкции с развальцовкой или уплотнительным кольцом (зависит от ответной части).
- Тип соединения: DKM (Накидная гайка)
- Угол изгиба: 90°
- Номинальный диаметр (DN): 06
- Метрическая резьба: M18x1.5 (Г)
- Материал исполнения: Углеродистая сталь (с защитным покрытием)
- Соответствие стандартам: DIN 2353 / ISO 8434-1
Стандартное исполнение выполнено из высокопрочной углеродистой стали с гальваническим покрытием, обеспечивающим защиту от умеренной коррозии. Для работы в особо агрессивных средах или при высоких требованиях к коррозионной стойкости (например, в химической или морской промышленности) доступно исполнение из нержавеющей стали AISI 316. При заказе необходимо уточнять комплектность, так как уплотнительные шайбы или вкладыши могут поставляться отдельно или требовать использования соответствующего префикса артикула производителя CAST.