Центральный тройник под кольцо DS8 BSP 1/4" арт. 605115.1 от Cast
Центральный тройник под кольцо DS8 BSP 1/4". Соединения с врезным кольцом (DIN 2353). Т-образный ввертной адаптер BSP с уплотнением ED
Представленный центральный тройник под кольцо, артикул 605115.1, производства CAST, разработан для создания высоконадежных и герметичных отводов в гидравлических системах. Это изделие, относящееся к серии S, обеспечивает компактное подключение в условиях ограниченного пространства. Основные области применения включают системы смазки, топливные магистрали, станочное оборудование и мобильную технику, где требуется стабильная работа при стандартном и высоком давлении.
Конструктивно фитинг представляет собой модифицированный тройник под кольцо, выполненный в соответствии со стандартом DIN 2353 для трубных соединений 24°. Он обеспечивает надежное и безотказное соединение труб, минимизируя риск протечек. Изделие разработано для использования с BSP резьбой 1/4", что гарантирует его совместимость с широким спектром гидравлического оборудования.
- Артикул: 605115.1
- Бренд: CAST
- Рабочее давление (WP): 800 бар
- Диаметр трубы D1: 8 мм
- Резьба G: 1/4"
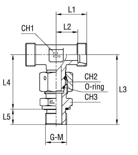
- Размер под ключ CH1: 14 мм
- Размер под ключ CH2: 19 мм
- Длина L1: 24 мм
- Длина L2: 17 мм
- Длина L3: 54,5 мм
- Длина L4: 42,5 мм
- Стандарт трубного соединения: Соединения 24° DIN 2353
- Серия: S
Данный фитинг CAST поставляется без дополнительных уплотнительных шайб или наконечников, что позволяет подобрать их отдельно под конкретные условия эксплуатации. Стандартное исполнение материала — сталь. Для агрессивных сред или условий, требующих повышенной коррозионной стойкости, доступна версия из нержавеющей стали AISI 316. Для заказа этой модификации необходимо изменить префикс артикула с "60" на "61".