Центральный тройник под кольцо DS25 BSP 1" арт. 107021.1 от Cast
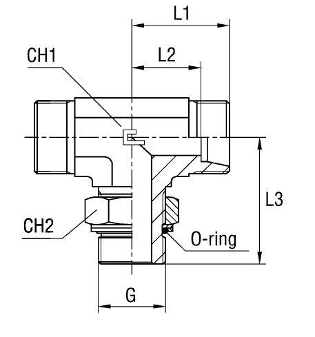
Центральный тройник под кольцо DS25 BSP 1". Соединения с врезным кольцом (DIN 2353). Т-адаптер BSP (уплотнение по конусу)
Центральный тройник под кольцо DS25 BSP 1" (артикул 107021.1) от производителя CAST предназначен для создания герметичных и надежных разветвленных соединений в гидравлических системах. Этот гидравлический фитинг CAST серии S обеспечивает компактное подключение трубопроводов и находит применение в условиях стандартного давления, в системах смазки, подачи топлива, а также в станочном оборудовании и мобильной гидравлике.
Конструкция данного тройника обеспечивает надежное трубное соединение с использованием обжимного кольца. Изделие спроектировано для работы с трубами диаметром 25 мм и соответствует стандарту соединений 24° DIN 2353, что гарантирует совместимость и взаимозаменяемость с компонентами, выполненными по данному стандарту. Тройник оснащен резьбовым подключением BSP 1", что обеспечивает универсальность монтажа.
- Артикул: 107021.1
- Бренд: CAST
- Рабочее давление (WP): 200 бар
- Диаметр трубы (D1): 25 мм
- Размер под ключ (CH1, CH2): 33 мм, 41 мм
- Резьба: 1" BSP
- Серия: S
- Длина (L1): 42 мм
- Длина (L2): 30 мм
- Длина (L3): 53 мм
- Длина (L4): 54 мм
Данный центральный тройник поставляется без дополнительных комплектующих, таких как уплотнительные шайбы или обжимные кольца. Стандартное исполнение выполнено из стали. Для заказа изделия из нержавеющей стали AISI 316 измените первые две цифры артикула на "11....". Если требуется исполнение из AISI 316 с гайкой из AISI 304, префикс артикула должен быть изменен на "14....". Обратите внимание, что данная позиция не всегда соответствует нормам ISO 8434-1 и может быть доступна только по запросу. Версия из нержавеющей стали предназначена для применения в агрессивных средах и условиях, требующих повышенной коррозионной стойкости.