Центральный тройник под кольцо DS14 BSP 1/2" арт. 107018.1 от Cast
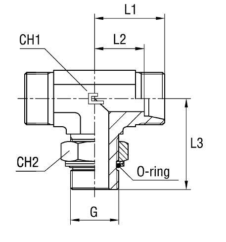
Центральный тройник под кольцо DS14 BSP 1/2". Соединения с врезным кольцом (DIN 2353). Т-адаптер BSP (уплотнение по конусу)
Центральный тройник под кольцо CAST с артикулом 107018.1 представляет собой высококачественный гидравлический фитинг, предназначенный для создания надежного и герметичного ответвления в гидравлических системах. Изделие от производителя CAST обеспечивает эффективное распределение потока рабочей среды в низконапорных и стандартных системах, широко применяемых в мобильной технике, станках и промышленных трубопроводах, где требуется компактное подключение.
Данный трубный соединитель выполнен в виде центрального тройника, обеспечивающего соединение трех линий. Конструкция соответствует стандарту DIN 2353 для соединений с конусом 24°, что гарантирует совместимость с широким спектром стандартных трубных соединений. Это обеспечивает быструю и точную сборку, а также долговечность эксплуатации в условиях вибраций и перепадов давления.
- Артикул: 107018.1
- Бренд: CAST
- Рабочее давление (WP): 250 бар
- Диаметр трубы M1/D1: 14 мм
- Резьба G: 1/2" BSP
- Серия: S (тяжелая серия)
- Стандарт трубного соединения: Соединения 24° DIN 2353
- Размер под ключ CH1/CH2/CH3: 22 / 27 / 27
- Длина L1/L2/L3/L4: 30 мм / 22 мм / 44 мм / 40 мм
Базовая комплектация тройника (артикул 107018.1) изготовлена из стали. Для условий, требующих повышенной коррозионной стойкости или работы с агрессивными средами, доступны модификации из нержавеющей стали. При заказе фитинга из нержавеющей стали AISI 316 необходимо заменить префикс артикула с 10.... на 11..... Вариант из нержавеющей стали AISI 316 с гайкой из AISI 304 обозначается префиксом 14..... Данная позиция не всегда полностью соответствует норме ISO 8434-1 и может поставляться по индивидуальному запросу.