Центральный тройник под кольцо DL15 M18x1.5 арт. 107108.1 от Cast
Центральный тройник под кольцо DL15 M18x1.5. Соединения с врезным кольцом (DIN 2353). Т-адаптер Metric (уплотнение по конусу)
Центральный тройник под кольцо CAST, артикул 107108.1, предназначен для создания герметичных и надежных соединений в гидравлических системах. Это универсальный фитинг CAST серии L, разработанный для эксплуатации при среднем рабочем давлении до 315 бар. Идеально подходит для систем смазки, топливных магистралей, а также в станочном оборудовании и мобильной технике, где требуется компактное и функциональное трубное соединение.
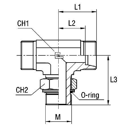
Конструкция представляет собой тройник с тремя портами, обеспечивающий разветвление потока рабочей жидкости в гидравлической схеме. Фитинг соответствует стандарту трубных соединений 24° DIN 2353, что гарантирует его совместимость с широким спектром метрических трубок диаметром 15 мм и резьбовыми соединениями M18x1.5 с конусностью 24°.
- Артикул: 107108.1
- Бренд: CAST
- Рабочее давление (WP): 315 бар
- Диаметр трубы D1: 15 мм
- Размер под ключ CH1: 22 мм
- Размер под ключ CH2: 24 мм
- Размер под ключ CH3: 27 мм
- Резьба M: 18x1.5
- Серия: L (легкая)
- Стандарт трубного соединения: 24° DIN 2353
- Длина L1: 28 мм
- Длина L2: 21 мм
- Длина L3: 40 мм
- Длина L4: 36 мм
Данный центральный тройник поставляется без уплотнительных шайб, которые заказываются отдельно. Стандартное исполнение – из высококачественной стали. Для работы в агрессивных или коррозионных средах доступны варианты из нержавеющей стали AISI 316 (артикул начинается с 11....) или AISI 316 с гайкой из AISI 304 (артикул начинается с 14....). Обратите внимание, что эта позиция не соответствует ISO 8434-1 и производится по запросу, обеспечивая точное соответствие уникальным требованиям проекта.