Адаптер угловой 90° под кольцо DS14 M20x1.5 арт. 106218.1 от Cast
Адаптер угловой 90° под кольцо DS14 M20x1.5. Соединения с врезным кольцом (DIN 2353). Угловой адаптер 90° Metric (уплотнение по конусу)
Представляем угловой адаптер 90° CAST артикул 106218.1, предназначенный для создания герметичных и надежных соединений в гидравлических системах. Это высококачественный фитинг CAST из серии "S" разработан для компактного подключения линий высокого давления к компонентам системы. Адаптер находит широкое применение в стационарных и мобильных гидравлических установках, машиностроении, а также в системах, использующих масло и топливо при стандартном и повышенном давлении.
Данный угловой адаптер имеет специфическую конструкцию, обеспечивающую эффективное изменение направления потока на 90 градусов. Изделие не полностью соответствует стандарту ISO 8434-1, однако разработано для использования с трубными соединениями 24° по DIN 2353, обеспечивая надежную фиксацию и герметичность при монтаже к кольцу DS, что способствует высокой устойчивости к вибрациям и пульсациям давления.
- Рабочее давление (WP): 250 бар
- Диаметр трубы D1: 14 мм
- Резьба M: M20x1.5
- Стандарт трубного соединения: 24° DIN 2353
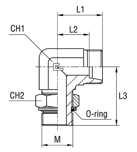
- Размер под ключ CH1: 22 мм
- Размер под ключ CH2: 27 мм
- Длина L1: 30 мм
- Длина L2: 22 мм
- Длина L3: 44 мм
- Длина L4: 40 мм
Адаптер стандартно изготавливается из стали, но доступна опция для особых условий эксплуатации. При заказе версии из нержавеющей стали AISI 316, обладающей повышенной коррозионной стойкостью для агрессивных сред, необходимо изменить префикс артикула с "10" на "11". Если требуется исполнение из нержавеющей стали AISI 316 с гайкой из AISI 304, префикс меняется на "14". Комплектность поставки включает сам адаптер, другие элементы, такие как уплотнительные шайбы, могут заказываться отдельно по запросу.