Адаптер угловой 90° под кольцо DS14 BSP 1/2" арт. 106118.1 от Cast
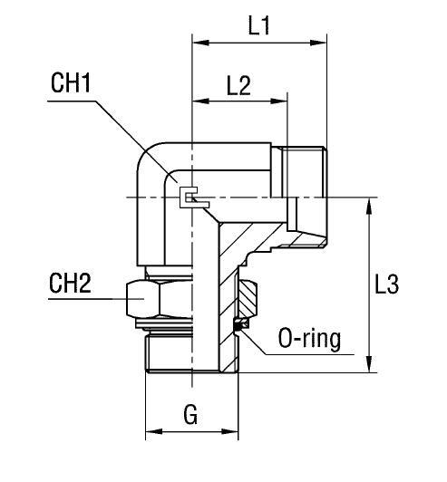
Адаптер угловой 90° под кольцо DS14 BSP 1/2. Соединения с врезным кольцом (DIN 2353). Угловой адаптер 90° BSP (уплотнение по конусу)
Адаптер CAST артикул 106118.1 – это высококачественный угловой гидравлический адаптер (90°) для герметичного соединения труб. Предназначен для создания компактных и надежных подключений в гидравлических системах. Изделие от производителя CAST серии "S" (тяжелая серия) оптимально подходит для применения в стационарных и мобильных гидравлических установках, машиностроении, системах смазки и топливоподачи, где требуется стандартное или повышенное рабочее давление.
Конструкция адаптера предусматривает ввертное трубное соединение 24° по стандарту DIN 2353. Это обеспечивает высокую герметичность и устойчивость к вибрациям. Угловое исполнение позволяет эффективно организовывать трассировку трубопроводов в ограниченном пространстве. Адаптер совместим с трубными соединениями диаметром 14 мм и оснащен резьбовым соединением BSP 1/2, что гарантирует универсальность применения.
- Артикул: 106118.1
- Бренд: CAST
- Рабочее давление (WP): 250 бар
- Диаметр трубы D1: 14 мм
- Резьба G: BSP 1/2
- Исполнение трубного соединения: 90 град.
- Стандарт трубного соединения: Соединения 24° DIN 2353
- Серия: S (тяжелая серия)
- Размер под ключ CH1: 22 мм
- Размер под ключ CH2: 27 мм
- Размер под ключ CH3: 27 мм
- Длина L1: 30 мм
- Длина L2: 22 мм
- Длина L3: 44 мм
- Длина L4: 40 мм
Данный адаптер поставляется без дополнительных уплотнительных шайб или фитингов. Стандартное исполнение из стали. Для условий, требующих повышенной коррозионной стойкости или работы с агрессивными средами, доступны модификации: для заказа из нержавеющей стали AISI 316 измените префикс артикула с 10... на 11... (например, 116118.1). При необходимости адаптера из нержавеющей стали AISI 316 с гайкой из AISI 304, префикс меняется на 14... (например, 146118.1). Обращаем внимание, что данная позиция не всегда соответствует норме ISO 8434-1 и доступна по запросу.