Адаптер угловой 90° под кольцо DL15 M18x1.5 арт. 106208.1 от Cast
Адаптер угловой 90° под кольцо DL15 M18x1.5. Соединения с врезным кольцом (DIN 2353). Угловой адаптер 90° Metric (уплотнение по конусу)
Данный угловой адаптер серии DL15, артикул 106208.1, представляет собой специализированный гидравлический фитинг CAST, предназначенный для создания герметичных и компактных угловых подключений в гидравлических системах. Он оптимизирован для использования в схемах с низким и стандартным давлением, широко применяется в системах смазки, топливоподачи, а также на стационарном оборудовании и в секторах мобильной техники. Это решение идеально подходит для организации трассировки трубопроводов в ограниченном пространстве.
Конструктивно адаптер CAST является угловым фитингом с 90-градусным изгибом, обеспечивающим надежное соединение под кольцо. Он разработан в соответствии со стандартом соединения 24° DIN 2353 для труб, гарантируя высокую степень герметичности и устойчивости к вибрациям. Хотя позиция DL15 не соответствует норме ISO 8434-1, она доступна по запросу для специфических инженерных задач, где требуется угол 90° без прямого соответствия стандарту ISO. Совместим с трубками диаметром 15 мм и резьбовым соединением M18x1.5.
- Артикул: 106208.1
- Бренд: CAST
- Рабочее давление (WP): 315 бар
- Диаметр трубы M1/D1: 15 мм
- Резьба: M18x1.5
- Стандарт трубного соединения: Соединения 24° DIN 2353
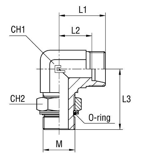
- Габаритные размеры (приблизительно): L1=28 мм, L2=21 мм, L3=40 мм, L4=36 мм
- Размеры под ключ: СH1=22, СH2=24, СH3=27
- Серия: L
Базовое исполнение адаптера изготавливается из стали, однако для условий с повышенными требованиями к коррозионной стойкости, например, в агрессивных средах или морской технике, доступны варианты исполнения из нержавеющей стали. Для заказа адаптера из нержавеющей стали AISI 316 необходимо заменить первые две цифры артикула с 10.... на 11..... При необходимости использования гайки из нержавеющей стали AISI 304 в комплекте, артикул меняется с 10.... на 14..... Это обеспечивает гибкость при проектировании и монтаже систем с особыми эксплуатационными условиями, поддерживая надежность трубного соединения в долгосрочной перспективе.