Адаптер угловой 90° под кольцо DL08 BSP 1/4" арт. 106105.1 от Cast
Адаптер угловой 90° под кольцо DL08 BSP 1/4". Соединения с врезным кольцом (DIN 2353). Угловой адаптер 90° BSP (уплотнение по конусу)
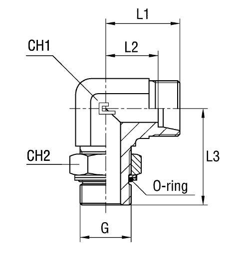
Данный угловой адаптер, артикул 106105.1 производства CAST, предназначен для создания герметичного и компактного трубного соединения под углом 90 градусов. Оптимален для применения в гидравлических системах низкого и стандартного давления, линиях смазки и топливопроводах в условиях ограниченного пространства, характерных для станков и мобильной техники.
Адаптер представляет собой ввертной фитинг с углом изгиба 90 градусов, что обеспечивает надежное и пространственно-эффективное подключение. Он разработан для работы с трубными соединениями стандарта 24° DIN 2353, гарантируя совместимость с широким спектром компонентов. Позиция не соответствует норме ISO 8434-1, доступна только по запросу.
- Рабочее давление (WP): 315 бар
- Диаметр присоединяемой трубы D1: 8 мм
- Резьба G: BSP 1/4"
- Тип резьбы ТС 1: BSP
- Серия: L
- Исполнение трубного соединения: 90 град.
- Стандарт трубного соединения: Соединения 24° DIN 2353
- Размер под ключ CH1: 14 мм
- Размер под ключ CH2: 19 мм
Для заказа данного углового фитинга CAST из нержавеющей стали AISI 316, замените префикс артикула с "10" на "11". Если требуется исполнение из нержавеющей стали AISI 316 с гайкой из нержавеющей стали AISI 304, измените префикс на "14". Высококачественная сталь обеспечивает повышенную коррозионную стойкость, что делает этот трубный фитинг пригодным для использования в агрессивных средах.