Адаптер угловой 90° BSP 3/8"(Г)-3/8"(Г) арт. 305405 от Cast
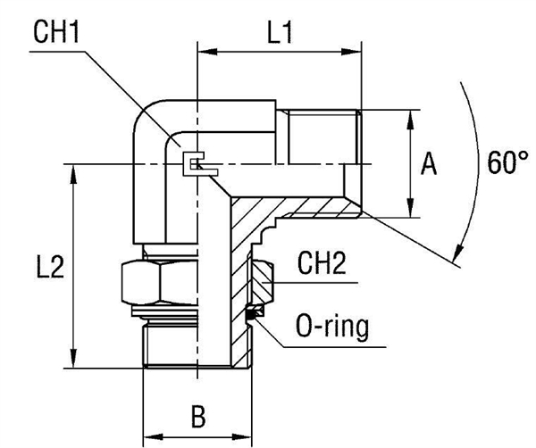
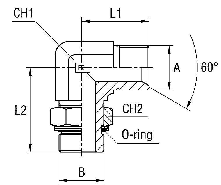
Адаптер угловой 90° BSP 3/8"(Г)-3/8"(Г). Соединения с уплотнением по конусу 60° (BSP). Угловой адаптер 90° BSP (уплотнение по конусу)
Представляем угловой адаптер CAST с артикулом 305405 – специализированный компонент для герметичного и компактного подключения в гидравлических системах. Это универсальное трубное соединение от производителя CAST предназначено для создания угловых поворотов на 90 градусов в линиях с невысоким и стандартным давлением. Идеально подходит для применения в станочном оборудовании, мобильной технике и в системах смазки и топливоподачи, где требуется оптимизация пространства и надежное сочленение.
Конструктивно адаптер представляет собой угловой фитинг CAST, обеспечивающий надежное соединение двух гидравлических линий с метрической резьбой BSP. Изделие соответствует стандартам, например, BS-5200 (соединения 60°), что гарантирует его совместимость с широким спектром компонентов. Угловая конфигурация позволяет эффективно обходить препятствия и оптимизировать трассировку гидравлических магистралей, сохраняя при этом целостность системы и минимизируя гидравлические потери.
- Артикул: 305405
- Бренд: CAST
- Размер A (Гайка): 3/8"
- Размер B (Гайка): 3/8"
- Рабочее давление (WP): 250 бар
- Размер под ключ 1 (CH1): 19 мм
- Размер под ключ 2 (CH2): 22 мм
- Длина L1: 29 мм
- Длина L2: 37 мм
- Серия: Универсальная
- Стандарт трубного соединения: Соединения 60° BS-5200
Данный адаптер поставляется без дополнительных уплотнительных шайб, которые подбираются отдельно в зависимости от специфики применения. Стандартное исполнение выполнено из стали. Для обеспечения коррозионной стойкости и эксплуатации в агрессивных средах (химические производства, морская среда) доступна версия из нержавеющей стали AISI 316. Для заказа адаптера из нержавеющей стали необходимо изменить префикс артикула с «30….» на «31….», например, 315405 вместо 305405.