Адаптер угловой 90° BSP 3/4"(Г) - 3/4"(Ш) арт. 308409 от Cast
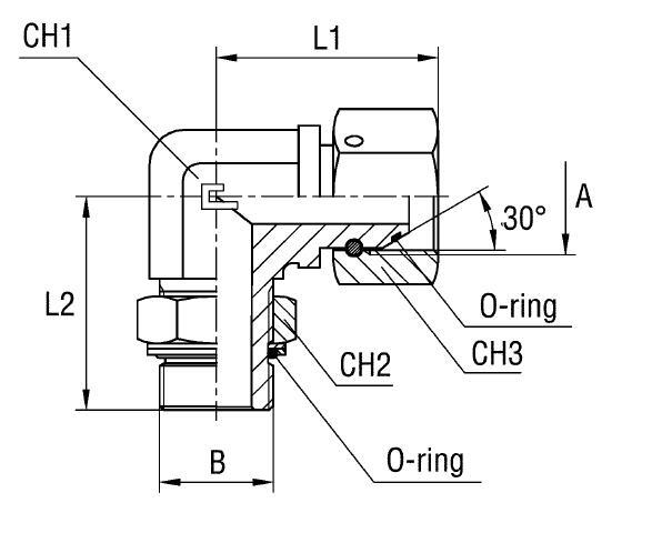
Адаптер угловой 90° BSP 3/4"(Г) - 3/4"(Ш). Соединения с уплотнением по конусу 60° (BSP). Угловой фитинг 90° BSP с накидной гайкой (уплотнение по конусу)
Угловой адаптер 90° BSP, артикул 308409, производства CAST, предназначен для формирования герметичных и компактных гидравлических соединений под углом 90 градусов. Используется в системах гидравлики низкого и стандартного давления, включая гидравлические контуры мобильной техники, станкостроения и общего машиностроения. Данный фитинг обеспечивает надежное соединение резьбовых и фланцевых элементов, являясь важным компонентом для обвязки гидравлических магистралей. Является частью универсальной серии CAST.
Конструкция адаптера предусматривает создание надежного уплотнения благодаря конической посадке и соответствию стандарту 60° BS-5200 для трубных соединений. Угловое исполнение 90° упрощает монтаж в условиях ограниченного пространства, минимизируя изгибы и напряжения в трубопроводе. Адаптер CAST спроектирован для обеспечения максимальной пропускной способности при заданных размерах резьбовых присоединений.
- Рабочее давление (WP): 250 бар
- Размер под ключ (CH1): 27 мм
- Размер под ключ (CH2): 36 мм
- Резьбовой размер B: 3/4"
- Резьбовой размер A (USIT): 3/4"
- Длина L1: 53,5 мм
- Длина L2: 49 мм
- Стандарт трубного соединения: 60° BS-5200
Данный адаптер поставляется как стандартный компонент. Для заказа исполнения из нержавеющей стали, обеспечивающей повышенную коррозионную стойкость для работы в агрессивных средах, необходимо использовать артикул с префиксом 31..., заменяя первые две цифры "30" на "31". Позиции из нержавеющей стали доступны по предварительному запросу.