Адаптер угловой 90° BSP 3/4"(Г)-3/4"(Г) арт. 305409 от Cast
Адаптер угловой 90° BSP 3/4"(Г)-3/4"(Г). Соединения с уплотнением по конусу 60° (BSP). Угловой адаптер 90° BSP (уплотнение по конусу)
Представляем угловой адаптер 90° CAST, артикул 305409, разработанный для создания герметичных и компактных угловых соединений в гидравлических системах. Изделие от производителя CAST (серия "Универсальная") оптимально для трубопроводов с низким и стандартным рабочим давлением. Применяется в стационарных установках, мобильной технике, а также служит незаменимым элементом для систем смазки и подачи топлива.
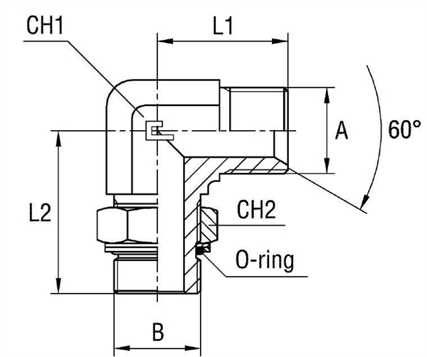
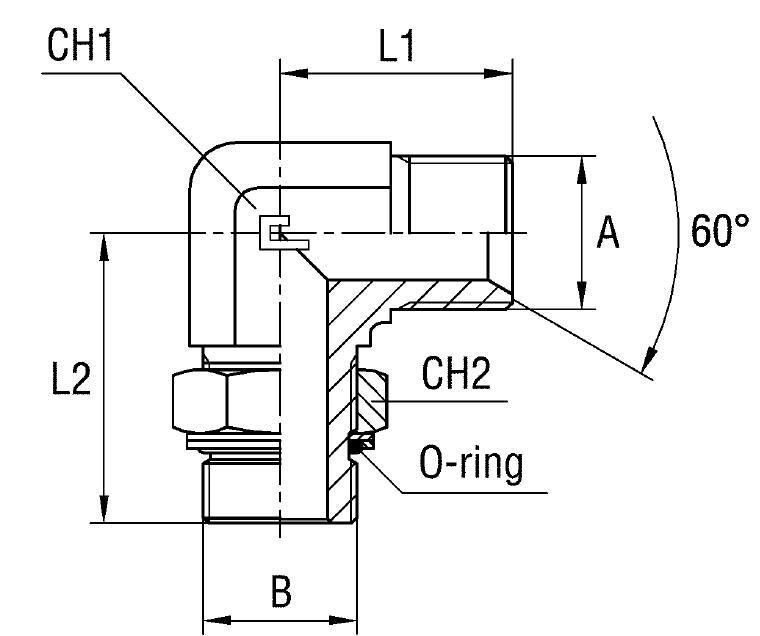
Конструктивно адаптер представляет собой угловой фитинг с внутренней резьбой BSP 3/4" с обеих сторон. Он обеспечивает надежное и компактное угловое подключение, соответствуя стандарту трубного соединения 60° BS-5200. Его применение гарантирует высокий уровень герметичности в гидравлических системах любого назначения, где требуется изгиб трубопровода под прямым углом.
- Артикул: 305409
- Рабочее давление (WP): 250 бар
- Резьба A (внутренняя): BSP 3/4"
- Резьба B (внутренняя): BSP 3/4"
- Размер под ключ CH1: 27 мм
- Размер под ключ CH2: 36 мм
- Длина L1: 41 мм
- Длина L2: 49 мм
- Стандарт трубного соединения: 60° BS-5200
Адаптер поставляется без дополнительных уплотнительных шайб или концевых фитингов. Стандартное исполнение – высокопрочная сталь. Для условий с повышенными требованиями к коррозионной стойкости, например, в агрессивных средах или для систем, работающих с особыми жидкостями, доступна версия из нержавеющей стали AISI 316. Для заказа адаптера в исполнении из нержавеющей стали, замените первые две цифры стандартного артикула 30.... на 31...., что позволяет получить изделие с артикулом 315409. Этот фитинг CAST является надежным решением для требовательных сфер применения.