Адаптер угловой 90° BSP 1"(Г)-1"(Г) арт. 305411 от Cast
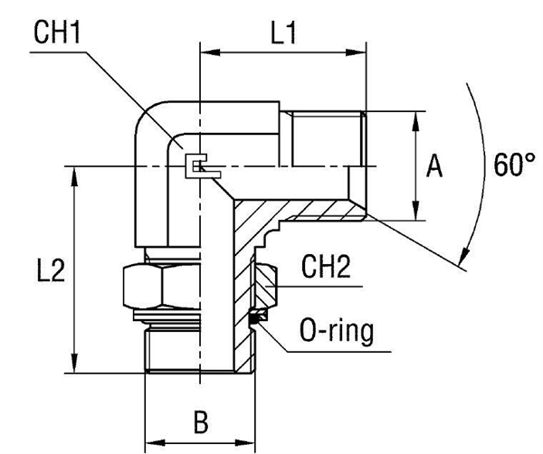
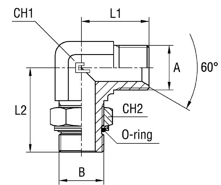
Адаптер угловой 90° BSP 1"(Г)-1"(Г). Соединения с уплотнением по конусу 60° (BSP). Угловой адаптер 90° BSP (уплотнение по конусу)
Представляем угловой фитинг CAST артикул 305411, предназначенный для создания герметичных и компактных подключений в гидравлических системах. Изделие от производителя CAST, универсальной серии, оптимально для применения в контурах со стандартным давлением, эффективно в системах смазки и топливоподачи, а также в станочном оборудовании и мобильной технике.
Конструкция представляет собой угловой адаптер с углом изгиба 90°, обеспечивающий надежное трубное соединение с двумя ответными частями. Соответствует стандарту для трубных соединений 60° BS-5200, что гарантирует совместимость и герметичность при монтаже. Данный адаптер обеспечивает оптимальное изменение направления потока без значительных потерь давления.
- Артикул: 305411
- Бренд: CAST
- Рабочее давление (WP): 200 бар
- Размер A (USIT): 1"
- Размер B: 1"
- Размер под ключ 1 (CH1): 33 мм
- Размер под ключ 2 (CH2): 41 мм
- Длина L1: 45 мм
- Длина L2: 52 мм
- Стандарт трубного соединения: Соединения 60° BS-5200
Адаптер поставляется без уплотнительных шайб, допускается использование совместно с различными фитингами и наконечниками. Стандартное исполнение выполнено из стали. Для эксплуатации в агрессивных средах или условиях, требующих повышенной коррозионной стойкости, доступна модификация из нержавеющей стали AISI 316. Для заказа такой модификации необходимо изменить префикс артикула с 30.... на 31...., например, 315411.