Адаптер угловой 90° BSP 1/4"(Г) - 1/4"(Ш) арт. 308403 от Cast
Адаптер угловой 90° BSP 1/4"(Г) - 1/4"(Ш). Соединения с уплотнением по конусу 60° (BSP). Угловой фитинг 90° BSP с накидной гайкой (уплотнение по конусу)
Угловой адаптер CAST, артикул 308403, предназначен для создания герметичных поворотных соединений в гидравлических системах под давлением до 315 бар. Данный фитинг обеспечивает компактное подключение трубопроводов под углом 90°, минимизируя изгибы и облегчая монтаж. Универсальная серия от CAST находит применение в мобильной технике, промышленном оборудовании, гидравлических станках и системах смазки.
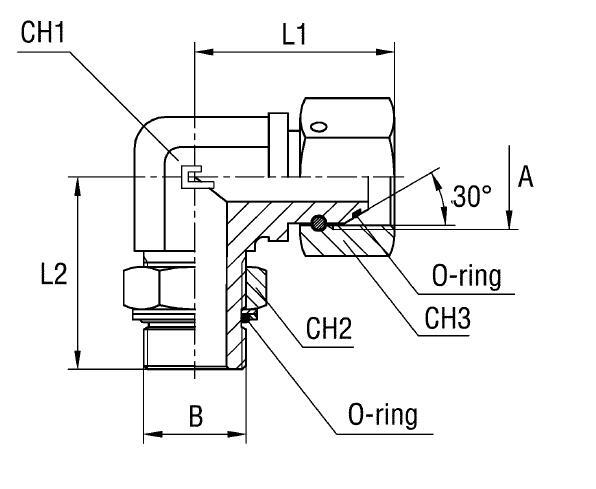
Конструкция адаптера включает в себя два резьбовых соединения BSP 1/4" с углом 90°, выполненных в соответствии со стандартом 60° BS-5200. Такое исполнение гарантирует надежное уплотнение и простоту монтажа с использованием соответствующих гидравлических компонентов. Адаптер обеспечивает оптимальное направление потока рабочей жидкости, предотвращая излишние напряжения в трубопроводе.
- Тип соединения: BSP 1/4"(Г) x BSP 1/4"(Ш), 90°
- Рабочее давление (WP): 315 бар
- Стандарт: 60° BS-5200
- Размер под ключ (CH1): 14 мм
- Размер под ключ (CH2): 19 мм
- Габаритные размеры (L1 x L2): 32 x 32 мм
- Бренд: CAST
Данный адаптер поставляется в стандартном исполнении из углеродистой стали. Для применения в условиях повышенной коррозии или агрессивных сред, таких как морская вода или химические растворы, доступна версия из нержавеющей стали AISI 316. Для заказа изделия из нержавеющей стали необходимо изменить первые две цифры артикула: 30.... на 31.... Позиция доступна только по запросу.