Адаптер угловой 90° BSP 1/4"(Г)-1/4"(Г) арт. 305403 от Cast
Адаптер угловой 90° BSP 1/4"(Г)-1/4"(Г). Соединения с уплотнением по конусу 60° (BSP). Угловой адаптер 90° BSP (уплотнение по конусу)
Представляем угловой адаптер CAST артикул 305403, разработанный для создания герметичных и компактных угловых соединений в гидравлических системах. Изделие универсальной серии от производителя CAST идеально подходит для широкого спектра применений, включая промышленное оборудование, мобильную технику и станочный парк, где требуется надежное подключение под углом 90 градусов при стандартном и умеренном давлении, а также при работе с системами смазки и топливопроводами.
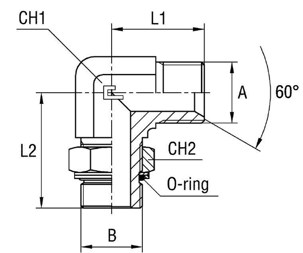
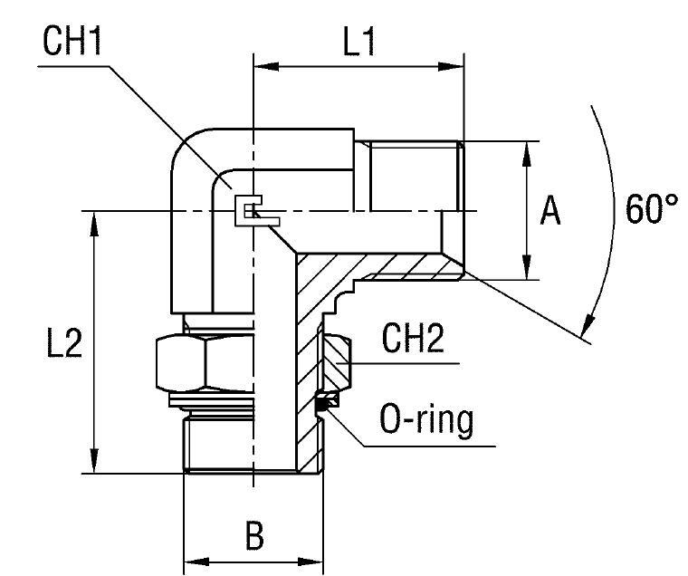
Конструктивно адаптер представляет собой угловой фитинг CAST, обеспечивающий переход между двумя элементами с внутренней резьбой BSP 1/4 дюйма. Он соответствует стандарту трубного соединения 60° BS-5200, гарантируя надежность и совместимость с соответствующими компонентами. Прочность и долговечность изделия подтверждены высоким рабочим давлением в 315 бар, что делает его оптимальным решением для различных гидравлических схем.
- Артикул: 305403
- Рабочее давление (WP): 315 бар
- Размер под ключ CH1: 14 мм
- Размер под ключ CH2: 19 мм
- Длина L1: 26 мм
- Длина L2: 32 мм
- Размер A (резьба USIT): 1/4"
- Размер B (резьба): 1/4"
- Стандарт трубного соединения: Соединения 60° BS-5200
Адаптер поставляется без дополнительных комплектующих, таких как уплотнительные шайбы или наконечники, предполагая их отдельное приобретение. Основной материал исполнения – сталь. Для условий, требующих повышенной коррозионной стойкости или использования в агрессивных средах, доступна версия из нержавеющей стали AISI 316. Для заказа адаптера из нержавеющей стали необходимо изменить первые две цифры артикула с "30" на "31" (например, 315403), обеспечивая полную идентичность технических характеристик в материале, устойчивом к неблагоприятным внешним воздействиям. Этот трубный фитинг CAST является надежным элементом для создания долговечных соединений.