Адаптер угловой 90° BSP 1/2"(Г)-1/2"(Г) арт. 305407 от Cast
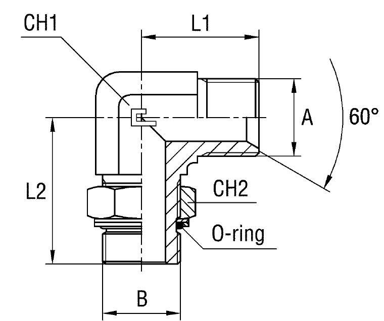
Адаптер угловой 90° BSP 1/2"(Г)-1/2"(Г). Соединения с уплотнением по конусу 60° (BSP). Угловой адаптер 90° BSP (уплотнение по конусу)
Представляем угловой адаптер CAST артикул 305407, предназначенный для создания надежного и компактного герметичного соединения в гидравлических системах. Этот элемент универсальной серии от производителя CAST идеально подходит для низко- и среднедавлежных контуров, а также систем смазки и топливопроводов на стационарном оборудовании и мобильной технике, где требуется изменение направления потока на 90 градусов.
Данный гидравлический адаптер представляет собой угловой фитинг с внутренней резьбой BSP 1/2" на обоих концах, обеспечивающий надежное соединение. Его конструкция соответствует стандарту трубных соединений 60° BS-5200, что гарантирует совместимость с широким спектром компонентов. Угловое исполнение позволяет эффективно организовывать трассировку трубопроводов в условиях ограниченного пространства, минимизируя потери давления и предотвращая изгибы шлангов.
- Артикул: 305407
- Рабочее давление (WP): 250 бар
- Размер под ключ 1 (CH1): 22 мм
- Размер под ключ 2 (CH2): 30 мм
- Длина L1: 34 мм
- Длина L2: 43 мм
- Стандарт трубного соединения: Соединения 60° BS-5200
- Размер A (USIT) / B: 1/2"
Адаптер поставляется без дополнительных уплотнительных шайб, которые приобретаются отдельно в соответствии с требованиями системы. Основное исполнение выполнено из высокопрочной стали. Для решения задач в агрессивных средах или условиях, где требуется высокая коррозионная стойкость, например, в пищевой промышленности или морском оборудовании, доступен вариант из нержавеющей стали AISI 316. Для заказа адаптера из нержавеющей стали используйте артикул, начиная с 31 вместо 30 (например, 315407).