Адаптер угловой 90° BSP 1-1/4"(Г)-1-1/4"(Г) арт. 305413 от Cast
Адаптер угловой 90° BSP 1-1/4"(Г)-1-1/4"(Г). Соединения с уплотнением по конусу 60° (BSP). Угловой адаптер 90° BSP (уплотнение по конусу)
Угловой адаптер артикул 305413 от производителя CAST, предназначен для создания герметичного и компактного соединения в гидравлических системах. Изделие применяется в условиях стандартного давления в машиностроении, мобильной технике и в системах подачи смазочных материалов или топлива.
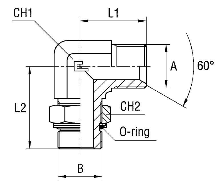
Конструкция представляет собой угловой 90° фитинг CAST, обеспечивающий надежное соединение двух трубных элементов без использования сварки. Соответствует стандарту "Соединения 60° BS-5200", гарантируя совместимость с широко распространенными трубными соединениями с конусностью 60°. Этот адаптер позволяет оптимизировать компоновку гидравлической магистрали в ограниченном пространстве.
- Артикул: 305413
- Бренд: CAST
- Рабочее давление (WP): 200 бар
- Стандарт трубного соединения: Соединения 60° BS-5200
- Размер под ключ 1 (CH1): 41 мм
- Размер под ключ 2 (CH2): 50 мм
- Размер A (резьба): 1 1/4" BSP
- Размер B (резьба): 1 1/4" BSP
- Длина L1: 52 мм
- Длина L2: 58 мм
Адаптер по умолчанию поставляется из высококачественной стали. Для применения в агрессивных средах или для обеспечения повышенной коррозионной стойкости доступна версия из нержавеющей стали AISI 316. Для заказа изделия из нержавеющей стали необходимо изменить префикс артикула с 30.... на 31...., например, 315413.