Адаптер-удлинитель метрический M22x1.5, артикул 300914 от Cast
Адаптер-удлинитель метрический M22x1.5. Соединения с уплотнением по конусу 60° (BSP). Прямой адаптер Metric
Данный фитинг CAST артикулом 300914 представляет собой метрический адаптер-удлинитель, предназначенный для создания надежных и компактных соединений в гидравлических системах. Продукт входит в серию UNIVERSALE от производителя CAST и подходит для применений, связанных с работой под стандартным или повышенным давлением. Основные области применения включают мобильную технику, промышленное оборудование и системы смазки, где требуется удлинение существующего метрического резьбового соединения.
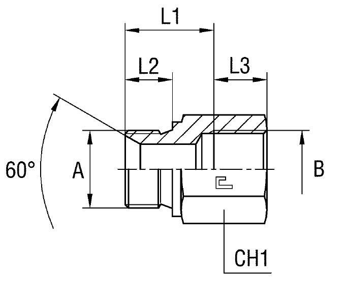
Конструктивно адаптер выполнен в виде полого удлинителя с наружной метрической резьбой M22x1.5 на одном конце и внутренней метрической резьбой M22x1.5 на другом. Изделие спроектировано для использования с уплотнительными системами, соответствующими стандарту соединений 60° BS-5200. Это гарантирует герметичность и надежность трубного соединения даже при рабочих давлениях до 350 бар.
- Рабочее давление (WP): 350 бар
- Размер метрической резьбы (A/B): M22x1.5
- Размер под ключ (CH1): 27 мм
- Общая длина (L1): 36 мм
- Длина вкручиваемой части (L2): 14 мм
- Длина наружной резьбы (L3): 16,5 мм
- Серия: UNIVERSALE
- Производитель: CAST
Стандартное исполнение артикула 300914 предусматривает изготовление из углеродистой стали. Для эксплуатации в агрессивных средах или условиях, требующих повышенной коррозионной стойкости, доступна версия из нержавеющей стали AISI 316. Для заказа изделия из нержавеющей стали необходимо изменить префикс артикула: 300914 на 310914. Данная позиция доступна по запросу. Для информации о нормах давления при использовании с омедненными прокладками, пожалуйста, обращайтесь к спецификациям для позиций серии 3001...