Адаптер-удлинитель метрический M20x1.5 арт. 300911 от Cast
Адаптер-удлинитель метрический M20x1.5. Соединения с уплотнением по конусу 60° (BSP). Прямой адаптер Metric
Метрический адаптер-удлинитель артикул 300911 от CAST, разработанный для создания надежных и герметичных соединений в гидравлических системах. Данное изделие относится к серии UNIVERSALE и применяется для расширения или изменения конфигурации подключения трубопроводов в системах низкого и среднего давления. Идеально подходит для использования в станочном оборудовании, мобильной технике и системах смазки, где требуется компактное и функциональное решение. Обеспечивает надежное трубное соединение.
Конструкция адаптера представляет собой удлинительный фитинг с метрической резьбой M20x1.5, обеспечивающий удобное наращивание длины или изменение угла подключения. Изделие разработано с учетом требований к прочным и герметичным соединениям, часто используемым в стандартных гидравлических конфигурациях. Совместимость с соответствующими трубными фитингами обеспечивает надежную сборку.
- Артикул: 300911
- Производитель: CAST
- Серия: UNIVERSALE
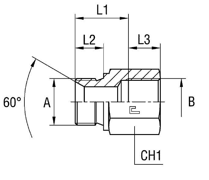
- Рабочее давление (WP): 350 бар
- Размер метрической резьбы (B): 20x1.5
- Размер метрической резьбы (A - USIT): 20x1.5
- Размер под ключ (CH1): 27 мм
- Общая длина (L1): 23 мм
- Вылет резьбы (L2): 14 мм
- Вылет резьбы (L3): 16.5 мм
- Стандарт трубного соединения: Соединения 60° BS-5200
Стандартное исполнение адаптера выполнено из углеродистой стали. Для применений, требующих повышенной коррозионной стойкости, доступны варианты из нержавеющей стали AISI 316 – для заказа таких изделий необходимо заменить префикс артикула 30 на 31 (например, 310911). При использовании с уплотнительными системами с омедненной прокладкой, нормы рабочего давления следует уточнять для соответствующих позиций (см. 3001...). Данная позиция поставляется под заказ.