Адаптер-удлинитель метрический M12x1.5 арт. 300903 от Cast
Адаптер-удлинитель метрический M12x1.5. Соединения с уплотнением по конусу 60° (BSP). Прямой адаптер Metric
Представляем адаптер-удлинитель метрический M12x1.5, артикул 300903. Данное изделие предназначено для создания герметичных, компактных соединений в гидравлических системах. Производитель CAST, серия UNIVERSALE. Применяется в условиях стандартного и высокого давления (до 350 бар) в мобильной технике, станкостроении, а также в системах смазки и топливоподачи.
Конструктивно представляет собой полый удлинительный фитинг, обеспечивающий надежное герметичное соединение. Соответствует стандарту 60° BS-5200 для трубных соединений. Позволяет компенсировать разницу в размерах резьбы (метрическая M12x1.5 и USIT M12x1.5), обеспечивая корректное формирование уплотнения.
- Рабочее давление (WP): 350 бар
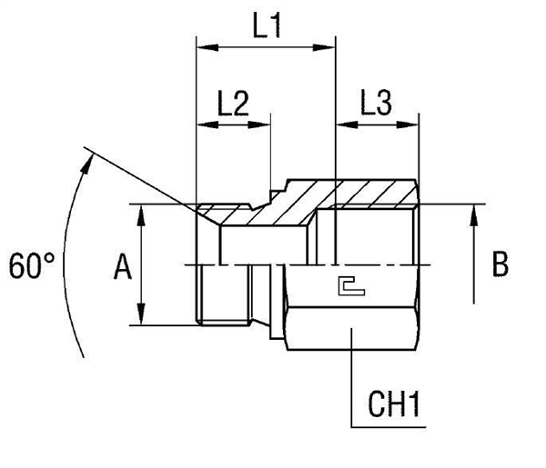
- Размер резьбы (B): M12x1.5
- Размер резьбы USIT (A): M12x1.5
- Размер под ключ (CH1): 17 мм
- Длина L1: 21 мм
- Длина L2: 12 мм
- Длина L3: 14,5 мм
- Стандарт трубного соединения: 60° BS-5200
- Серия: UNIVERSALE
- Производитель: CAST
Изделие по умолчанию изготавливается из углеродистой стали. Для заказа аналога из нержавеющей стали AISI 316, необходимо изменить префикс артикула с 30 на 31 (например, 310903). Данное решение обеспечивает повышенную коррозионную стойкость для применения в агрессивных средах. Позиция доступна по запросу.