Адаптер-удлинитель BSP 3/4"x3/4" L57 арт. 300819 от Cast
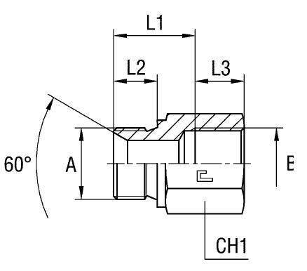
Адаптер-удлинитель BSP 3/4"x3/4" L57. Соединения с уплотнением по конусу 60° (BSP). Прямой адаптер BSP
Данный фитинг CAST, артикул 300819, представляет собой адаптер-удлинитель, предназначенный для создания надежных гидравлических соединений в системах среднего и высокого давления. Он идеально подходит для расширения существующих трубопроводных линий, обеспечения необходимого пространства для монтажа или изменения конфигурации гидравлических систем. Универсальная серия изделия обеспечивает его применимость в широком спектре областей, включая мобильную технику, промышленное оборудование и станки, где требуется создание герметичного трубного соединения.
Конструктивно адаптер выполнен в виде резьбового удлинителя, обеспечивающего прямое и надежное соединение двух элементов с резьбой BSP. Соответствие стандарту 60° BS-5200 гарантирует его совместимость с соответствующими типами трубных фитингов и наконечников, гарантируя стабильность и герметичность соединения под давлением. Шестигранная форма корпуса облегчает монтаж и демонтаж с использованием стандартного инструмента.
- Бренд: Cast
- Артикул: 300819
- Рабочее давление (WP): 315 бар
- Размер резьбы (A / B): 3/4" BSP
- Общая длина (L1): 57 мм
- Длина удлинителя (L2): 16 мм
- Высота резьбы (L3): 19 мм
- Размер под ключ (CH1): 36 мм
- Стандарт трубного соединения: 60° BS-5200
Для обеспечения повышенной коррозионной стойкости и применения в агрессивных средах, доступно исполнение из нержавеющей стали. Для заказа данного варианта необходимо использовать артикул, начинающийся с префикса 31... вместо 30.... При использовании уплотнительных систем с омедненной прокладкой, следует обращать внимание на нормы допустимого давления, указанные для соответствующих позиций.