Адаптер-удлинитель BSP 1/4"x1/4" L43 арт. 300806 от Cast
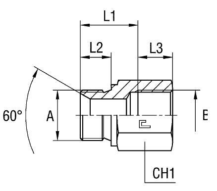
Адаптер-удлинитель BSP 1/4"x1/4" L43. Соединения с уплотнением по конусу 60° (BSP). Прямой адаптер BSP
Данный фитинг CAST, артикул 300806, представляет собой адаптер-удлинитель, предназначенный для герметичного соединения гидравлических линий. Изделие относится к универсальной серии производителя Cast и применяется в системах, работающих под стандартным и повышенным давлением, включая гидравлические контуры мобильной техники, промышленного оборудования и систем смазки. Обеспечивает удобство монтажа и расширения существующих трубопроводов.
Конструктивно адаптер представляет собой резьбовой фитинг с наружной резьбой BSP 1/4" и внутренней резьбой BSP 1/4", соответствующий стандарту соединений 60° BS-5200. Позволяет удлинить существующее соединение, сохраняя при этом надежность и герметичность трубного соединения. Размеры рассчитаны для удобства монтажа с использованием стандартного инструмента.
- Рабочее давление (WP): 350 бар
- Размер под ключ (CH1): 19 мм
- Серия: Универсальная
- Общая длина (L): 43 мм
- Длина внутренней резьбы (L2): 11 мм
- Длина наружной резьбы (L3): 14 мм
- Размер резьбы B: 1/4" BSP
- Размер резьбы A (USIT): 1/4" BSP
Для заказа изделий из нержавеющей стали, обладающих повышенной коррозионной стойкостью, необходимо использовать префикс артикула 31.... вместо 30.... Стандартные исполнения поставляются с омедненной уплотнительной прокладкой, допускающей рабочее давление до 350 бар (см. позиции 3001...). Для особо агрессивных сред рекомендуется рассматривать варианты исполнения из нержавеющей стали AISI 316.